Качественные детали и логистика
Оригинальные и аналоговые запчасти с доставкой по России, Казахстану и Беларуси
©2022 PartSell ООО "Система" ИНН 2463123282 ОГРН 1212400004838
Центральный офис: г. Красноярск, Академика Киренского, д.87, пом.4
Телефон: 8 (800) 777-65-74 Email: zakaz@partsell.ru
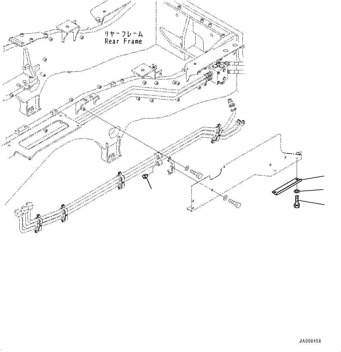
ГИДРАВЛ МАСЛОПРОВОДЯЩАЯ ЛИНИЯ, ЗАГЛУШКА (№-)
№
Артикул
Название
Примечание
Количество
1
07049-02430
Plug
SN: 10001-UP
10шт.
2
23C-60-67570
Plate
1шт.
3
01010-81020
Bolt
2шт.
4
01643-31032
Washer
Выбрано товаров: 0