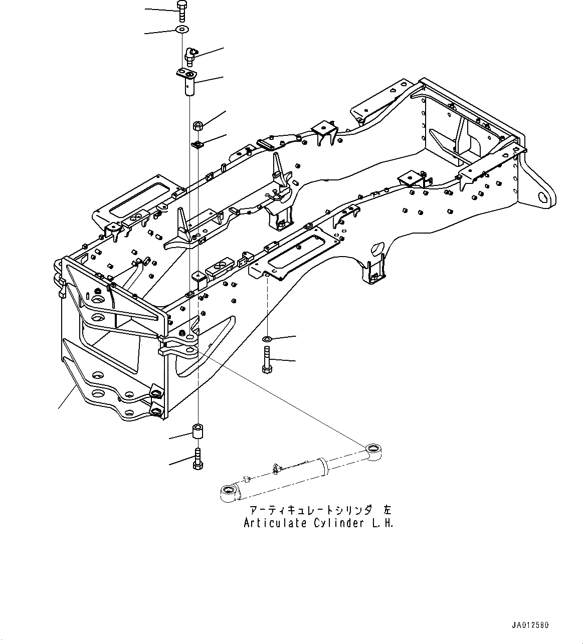
Запчасти Komatsu GD755-5R ЗАДН. РАМА (№-) ЗАДН. РАМА, С РЫХЛИТЕЛЕМ

Схема запчастей Komatsu GD755-5R - ЗАДН. РАМА (№-) ЗАДН. РАМА, С РЫХЛИТЕЛЕМ
7
6
5
1
2
4
3
8
9
11
10
FIT
1:1
100%

Артикул

Название

Примечание

Количество

1

23C-46-65301

Frame

SN: 10001-UP

1шт.

2

421-46-21760

Pin

SN: 10001-UP

2шт.

3

175-54-34170

Washer

SN: 10001-UP

2шт.

4

01010-81220

Bolt

SN: 10001-UP

2шт.

5

07020-00675

Fitting, Grease

SN: 10001-UP

2шт.

6

01643-33080

Washer

SN: 10001-UP

8шт.

7

01011-63060

Bolt

SN: 10001-UP

4шт.

8

425-974-1160

Bolt

SN: 10001-UP

4шт.

9

234-46-85430

Collar

SN: 10001-UP

4шт.

10

23C-46-65471

Washer

SN: 10001-UP

4шт.

11

01580-13024

Nut

SN: 10001-UP

4шт.

Выбрано товаров: 11