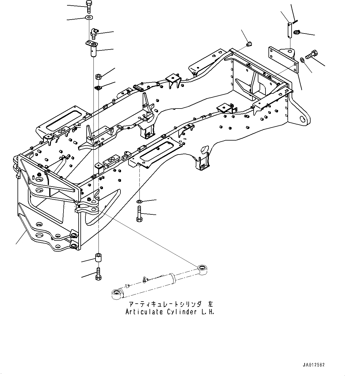
Запчасти Komatsu GD755-5R ЗАДН. РАМА (№-) ЗАДН. РАМА, БЕЗ РЫХЛИТЕЛЯ

Схема запчастей Komatsu GD755-5R - ЗАДН. РАМА (№-) ЗАДН. РАМА, БЕЗ РЫХЛИТЕЛЯ
5
1
2
4
3
13
14
15
17
16
18
12
7
6
8
9
10
11
FIT
1:1
100%

Артикул

Название

Примечание

Количество

1

23C-46-65301

Frame

SN: 10001-UP

1шт.

2

421-46-21760

Pin

SN: 10001-UP

2шт.

3

175-54-34170

Washer

SN: 10001-UP

2шт.

4

01010-81220

Bolt

SN: 10001-UP

2шт.

5

07020-00675

Fitting, Grease

SN: 10001-UP

2шт.

6

01643-33080

Washer

SN: 10001-UP

8шт.

7

01011-63060

Bolt

SN: 10001-UP

4шт.

8

425-974-1160

Bolt

SN: 10001-UP

4шт.

9

234-46-85430

Collar

SN: 10001-UP

4шт.

10

23C-46-65471

Washer

SN: 10001-UP

4шт.

11

01580-13024

Nut

SN: 10001-UP

4шт.

12

238-46-81120

Drawbar

SN: 10001-UP

1шт.

13

23C-46-65710

Pin

SN: 10001-UP

1шт.

14

04025-01065

Pin, Spring

SN: 10001-UP

1шт.

15

426-46-12280

Pin, Linch

SN: 10001-UP

1шт.

16

01643-32460

Washer

SN: 10001-UP

4шт.

17

01010-82465

Bolt

SN: 10001-UP

4шт.

18

07049-03038

Plug, Cork

SN: 10001-UP

14шт.

Выбрано товаров: 18