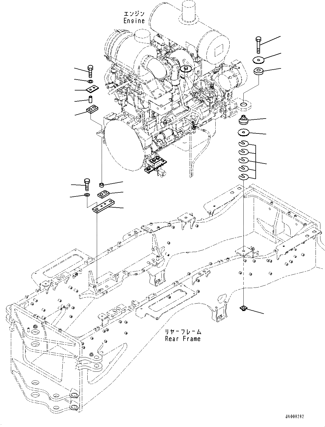
Запчасти Komatsu GD755-5R ДВИГАТЕЛЬ И POWERTRAIN БЛОК КРЕПЛЕНИЕ, КРЕПЛЕНИЕ ДВИГАТЕЛЯ (№-) ДВИГАТЕЛЬ И POWERTRAIN БЛОК КРЕПЛЕНИЕ

Схема запчастей Komatsu GD755-5R - ДВИГАТЕЛЬ И POWERTRAIN БЛОК КРЕПЛЕНИЕ, КРЕПЛЕНИЕ ДВИГАТЕЛЯ (№-) ДВИГАТЕЛЬ И POWERTRAIN БЛОК КРЕПЛЕНИЕ
5
1
2
4
1
3
14
9
11
12
8
6
7
10
6
13
11
FIT
1:1
100%

Артикул

Название

Примечание

Количество

1

423-01-41110

Washer

SN: 10001-UP

4шт.

1

418-01-11112

Cushion

SN: 10001-UP

2шт.

2

418-01-11121

Cushion

SN: 10001-UP

1шт.

3

418-01-11131

Cushion

SN: 10001-UP

1шт.

4

01011-62230

Bolt

SN: 10001-UP

2шт.

5

23C-01-51211

Shim, T=0.1mm

SN: 10001-UP

10шт.

5

23C-01-61250

Shim, T=0.5mm

SN: 10001-UP

16шт.

6

23A-01-11410

Cushion

SN: 10001-UP

4шт.

7

23B-01-11240

Cushion

SN: 10001-UP

4шт.

8

23A-01-11250

Spacer

SN: 10001-UP

4шт.

9

23A-01-11440

Plate

SN: 10001-UP

2шт.

10

23C-01-51152

Plate

SN: 10001-UP

2шт.

11

01643-31645

Washer

SN: 10001-UP

8шт.

12

01010-61690

Bolt

SN: 10001-UP

4шт.

13

01010-61650

Bolt

SN: 10001-UP

4шт.

14

425-01-11250

Plate

SN: 10001-UP

2шт.

Выбрано товаров: 16