Запчасти Komatsu GD755-5R ОСНОВН. КОНСТРУКЦИЯ, ПЕДАЛЬ ТОЛЧКОВОГО РЕГУЛИР-Я И ПЕДАЛЬ АКСЕЛЕРАТОРА(№-) ОСНОВН. КОНСТРУКЦИЯ, С КОНДИЦИОНЕРОМ, ОТВАЛ АККУМУЛЯТОР, KOMTRAX

Схема запчастей Komatsu GD755-5R - ОСНОВН. КОНСТРУКЦИЯ, ПЕДАЛЬ ТОЛЧКОВОГО РЕГУЛИР-Я И ПЕДАЛЬ АКСЕЛЕРАТОРА(№-) ОСНОВН. КОНСТРУКЦИЯ, С КОНДИЦИОНЕРОМ, ОТВАЛ АККУМУЛЯТОР, KOMTRAX
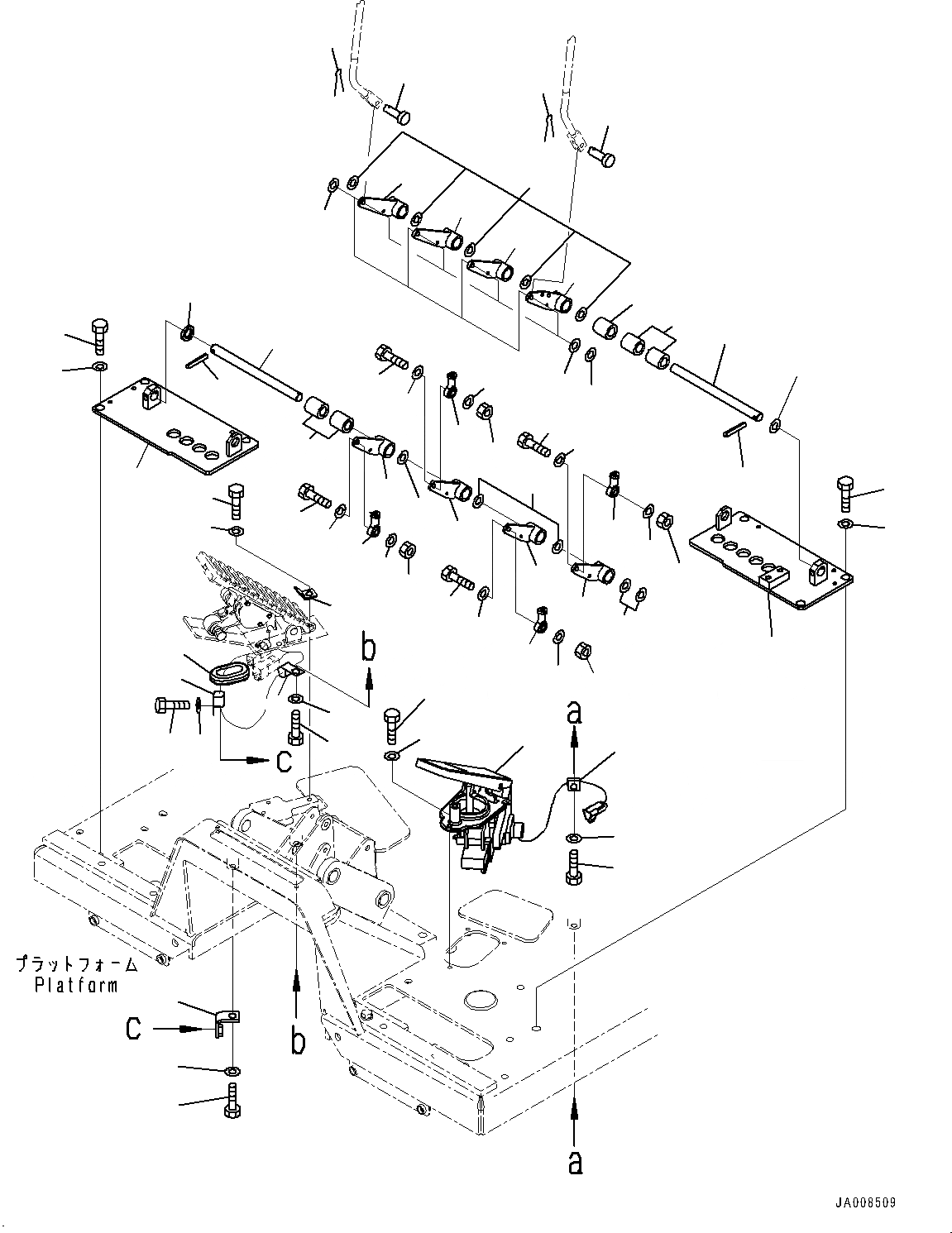
12
13
14
15
46
17
16
42
9
10
11
1
2
3
1
2
3
4
44
45
43
27
21
22
19
21
20
18
22
20
5
6
7
8
23
24
25
27
28
28
30
31
32
33
34
35
36
38
40
41
29
46
39
39
39
37
38
40
38
37
39
40
39
37
39
39
40
38
29
29
26
37
39
FIT
1:1
100%

Артикул

Название

Примечание

Количество

1

04434-51310

Clip

SN: 10001-UP

2шт.

2

01010-81020

Bolt

SN: 10001-UP

2шт.

3

01643-31032

Washer

SN: 10001-UP

2шт.

4

08037-03614

Grommet

SN: 10001-UP

1шт.

5

23B-45-32102

Pedal

SN: 10001-UP

1шт.

6

04434-50810

Clip

SN: 10001-UP

1шт.

7

01010-81020

Bolt

SN: 10001-UP

1шт.

8

01643-31032

Washer

SN: 10001-UP

1шт.

9

23C-43-61180

Bracket,L.H.

SN: 10001-UP

1шт.

10

01010-81025

Bolt

SN: 10001-UP

3шт.

11

01643-31032

Washer

SN: 10001-UP

3шт.

12

23B-43-33321

Shaft

SN: 10001-UP

1шт.

13

04025-00532

Pin, Spring

SN: 10001-UP

1шт.

14

01643-51645

Washer

SN: 10001-UP

1шт.

15

23D-43-33530

Collar

SN: 10001-UP

2шт.

16

23B-43-33332

Lever

SN: 10001-UP

1шт.

17

23B-43-33343

Lever

SN: 10001-UP

1шт.

18

23C-43-61250

Shim, T=0.50mm

SN: 10001-UP

5шт.

19

23C-43-61530

Shim, T=0.20mm

SN: 10001-UP

4шт.

20

04205-10822

Pin

SN: 10001-UP

4шт.

21

01640-20816

Washer

SN: 10001-UP

8шт.

22

04050-12015

Pin, Cotter

SN: 10001-UP

4шт.

23

23C-43-61280

Bracket

SN: 10001-UP

1шт.

24

23B-43-35650

Shaft

SN: 10001-UP

1шт.

25

04025-00532

Pin, Spring

SN: 10001-UP

1шт.

26

01643-51645

Washer

SN: 10001-UP

1шт.

27

23D-43-33530

Collar

SN: 10001-UP

3шт.

28

23B-43-33332

Lever

SN: 10001-UP

2шт.

29

23C-43-61250

Shim, T=0.50mm

SN: 10001-UP

5шт.

30

01010-81025

Bolt

SN: 10001-UP

3шт.

31

01643-31032

Washer

SN: 10001-UP

3шт.

32

42C-54-22331

Plate

SN: 10001-UP

1шт.

33

01010-80820

Bolt

SN: 10001-UP

3шт.

34

01643-30823

Washer

SN: 10001-UP

3шт.

35

01010-80620

Bolt

SN: 10001-UP

3шт.

36

01643-30623

Washer

SN: 10001-UP

3шт.

37

01580-10806

Nut

SN: 10001-UP

4шт.

38

04250-90847

Rod End

SN: 10001-UP

4шт.

39

04254-10823

Spacer

SN: 10001-UP

8шт.

40

235-43-18380

Bolt

SN: 10001-UP

4шт.

41

23B-43-35760

Lever

SN: 10001-UP

1шт.

42

23B-43-35760

Lever

SN: 10001-UP

1шт.

43

419-43-41110

Bracket

SN: 10001-UP

1шт.

44

01010-81020

Bolt

SN: 10001-UP

1шт.

45

01643-31032

Washer

SN: 10001-UP

1шт.

46

23B-43-33662

Lever

SN: 10001-UP

2шт.

Выбрано товаров: 46