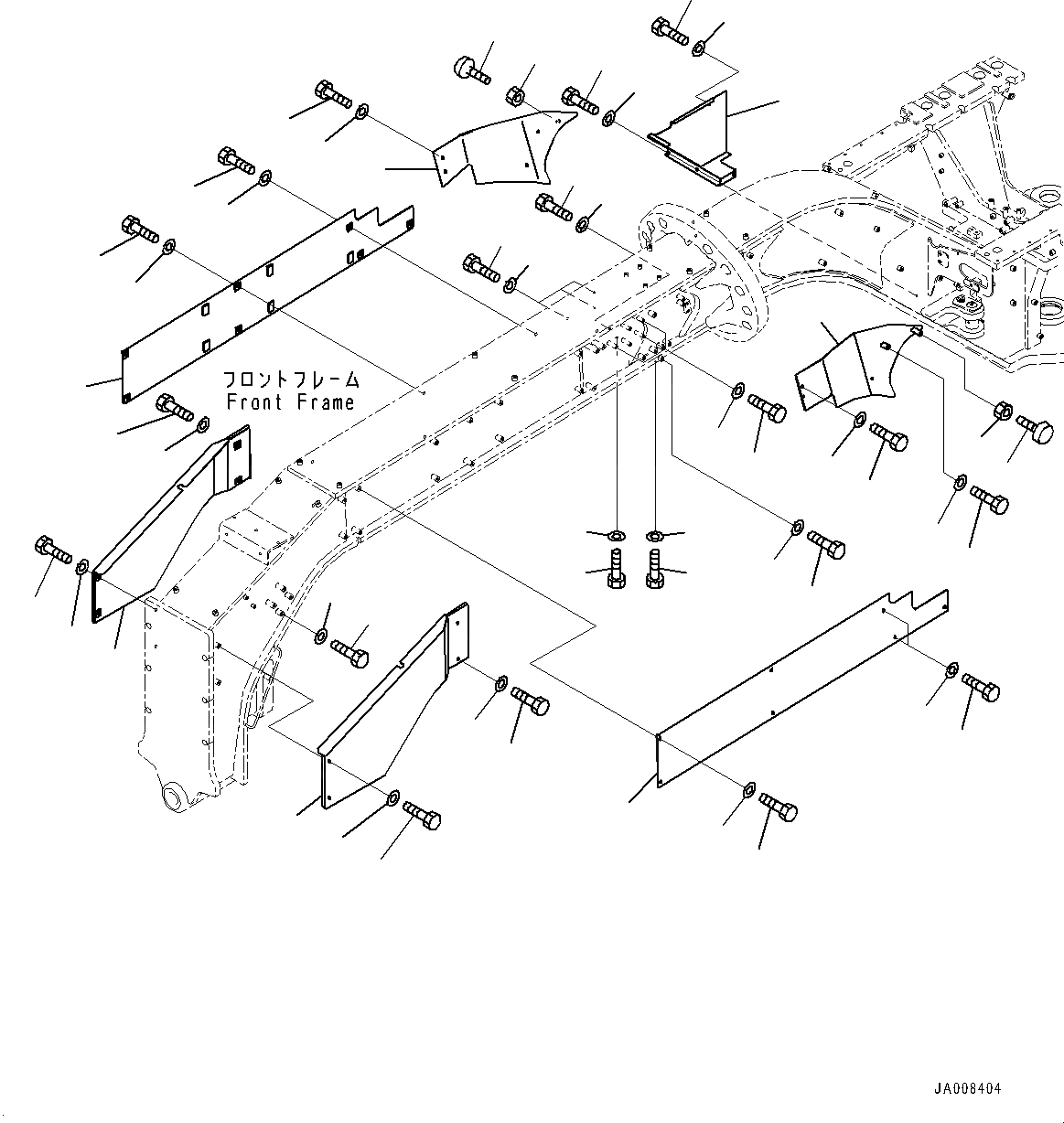
Запчасти Komatsu GD755-5R ПЕРЕДН. РАМА COVER, ПЕРЕДН. КРЫШКА(/) (№-) ПЕРЕДН. РАМА COVER, БЕЗ ОТВАЛ АККУМУЛЯТОР

Схема запчастей Komatsu GD755-5R - ПЕРЕДН. РАМА COVER, ПЕРЕДН. КРЫШКА(/) (№-) ПЕРЕДН. РАМА COVER, БЕЗ ОТВАЛ АККУМУЛЯТОР
31
32
28
44
45
34
35
33
30
29
34
35
15
14
40
41
26
27
12
13
11
38
23
22
25
24
39
38
39
40
41
21
10
9
8
7
6
5
4
3
2
1
36
37
20
19
18
17
16
43
42
FIT
1:1
100%

Артикул

Название

Примечание

Количество

1

23C-54-66560

Cover,L.H.

SN: 10001-UP

1шт.

2

01010-81025

Bolt

SN: 10001-UP

2шт.

3

01643-31032

Washer

SN: 10001-UP

2шт.

4

01010-81020

Bolt

SN: 10001-UP

2шт.

5

01643-31032

Washer

SN: 10001-UP

2шт.

6

23C-54-66480

Cover,R.H.

SN: 10001-UP

1шт.

7

01010-81025

Bolt

SN: 10001-UP

2шт.

8

01643-31032

Washer

SN: 10001-UP

2шт.

9

01010-81020

Bolt

SN: 10001-UP

2шт.

10

01643-31032

Washer

SN: 10001-UP

2шт.

11

23C-54-66490

Cover,L.H.

SN: 10001-UP

1шт.

12

01010-81025

Bolt

SN: 10001-UP

5шт.

13

01643-31032

Washer

SN: 10001-UP

5шт.

14

01010-81020

Bolt

SN: 10001-UP

2шт.

15

01643-31032

Washer

SN: 10001-UP

2шт.

16

23C-54-66510

Cover,R.H.

SN: 10001-UP

1шт.

17

01010-81025

Bolt

SN: 10001-UP

5шт.

18

01643-31032

Washer

SN: 10001-UP

5шт.

19

01010-81020

Bolt

SN: 10001-UP

2шт.

20

01643-31032

Washer

SN: 10001-UP

2шт.

21

23C-54-66730

Cover,L.H.

SN: 10001-UP

1шт.

22

01010-81055

Bolt

SN: 10001-UP

1шт.

23

01643-31032

Washer

SN: 10001-UP

1шт.

24

01010-81016

Bolt

SN: 10001-UP

3шт.

25

01643-31032

Washer

SN: 10001-UP

3шт.

26

20Y-54-11611

Stopper

SN: 10001-UP

1шт.

27

01580-11008

Nut

SN: 10001-UP

1шт.

28

23C-54-66640

Cover,R.H.

SN: 10001-UP

1шт.

29

01010-81016

Bolt

SN: 10001-UP

4шт.

30

01643-31032

Washer

SN: 10001-UP

4шт.

31

20Y-54-11611

Stopper

SN: 10001-UP

1шт.

32

01580-11008

Nut

SN: 10001-UP

1шт.

33

23C-54-62211

Cover

SN: 10001-UP

1шт.

34

01010-81016

Bolt

SN: 10001-UP

4шт.

35

01643-31032

Washer

SN: 10001-UP

4шт.

36

01643-31032

Washer

SN: 10001-UP

2шт.

37

01010-81016

Bolt

SN: 10001-UP

2шт.

38

01643-31032

Washer

SN: 10001-UP

2шт.

39

01010-81016

Bolt

SN: 10001-UP

2шт.

40

01643-31032

Washer

SN: 10001-UP

2шт.

41

01010-81016

Bolt

SN: 10001-UP

2шт.

42

01643-30823

Washer

SN: 10001-UP

3шт.

43

01010-80812

Bolt

SN: 10001-UP

3шт.

44

01643-30823

Washer

SN: 10001-UP

3шт.

45

01010-80812

Bolt

SN: 10001-UP

3шт.

Выбрано товаров: 0