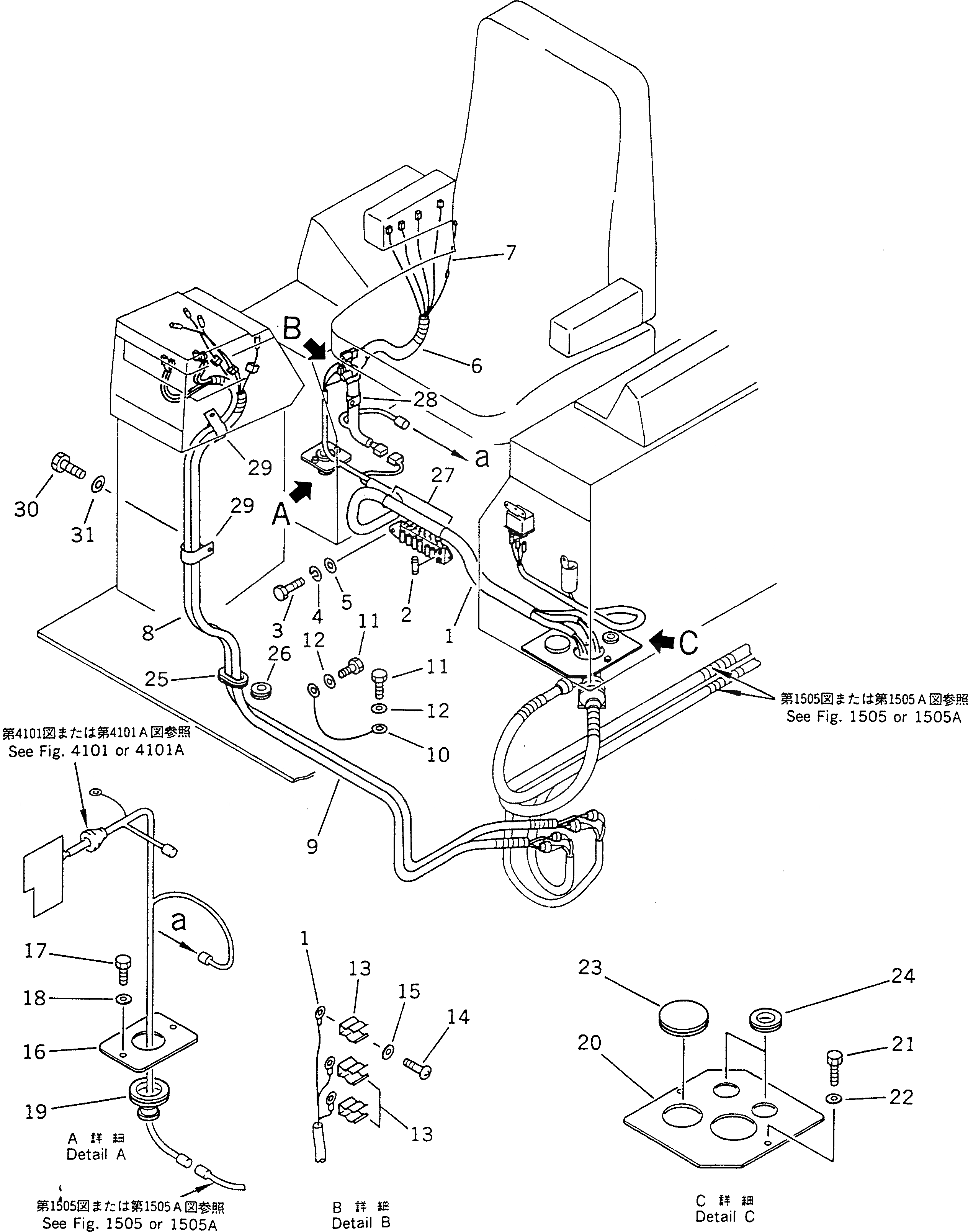
Запчасти Komatsu GD805A-1 ЭЛЕКТРИКА (ЦЕНТР.)(№8-) КОМПОНЕНТЫ ДВИГАТЕЛЯ И ЭЛЕКТРИКА

Схема запчастей Komatsu GD805A-1 - ЭЛЕКТРИКА (ЦЕНТР.)(№8-) КОМПОНЕНТЫ ДВИГАТЕЛЯ И ЭЛЕКТРИКА
FIT
1:1
100%

Артикул

Название

Примечание

Количество

1

235-06-11470

WIRE ASS'Y

SN: 10002-UP

1шт.

|1

283-06-16110

BOX,FUSE

SN: 10002-UP

1шт.

2

283-06-16180

FUSE¤ 5A

SN: 10005-UP

8шт.

|2

283-06-16190

FUSE¤ 10A

SN: 10005-UP

7шт.

|2

235-06-13350

FUSE¤ 15A

SN: 10005-UP

5шт.

3

01238-40520

SCREW

SN: 10002-UP

2шт.

4

01601-20513

WASHER,SPRING

SN: 10002-UP

2шт.

5

01641-20508

WASHER

SN: 10002-UP

2шт.

6

235-06-11480

WIRE ASS'Y

SN: 10002-UP

1шт.

7

235-06-11230

WIRE

SN: 10002-UP

1шт.

8

235-99-11440

WIRE ASS'Y

SN: 10008-UP

1шт.

9

235-06-11280

WIRE ASS'Y

SN: 10002-UP

1шт.

|9

235-806-1550

WIRE ASS'Y,(WITH AUTO EMERGENCY STEERING)

SN: ..-UP

1шт.

10

235-06-11410

WIRE ASS'Y

SN: 10002-UP

1шт.

11

238-06-11160

CABLE

SN: 10002-UP

1шт.

12

01010-51016

BOLT

SN: 10002-UP

2шт.

13

01643-31032

WASHER

SN: 10002-UP

2шт.

14

283-06-17130

CLIP

SN: 10002-UP

3шт.

15

01220-40610

SCREW

SN: 10002-UP

3шт.

16

01643-30623

WASHER

SN: 10002-UP

3шт.

17

235-06-15161

PLATE

SN: 10002-UP

1шт.

18

01010-50812

BOLT

SN: 10002-UP

2шт.

19

01643-30823

WASHER

SN: 10002-UP

2шт.

20

235-06-15390

GROMMET

SN: 10002-UP

1шт.

21

235-06-15131

PLATE

SN: 10002-UP

1шт.

22

01010-50812

BOLT

SN: 10002-UP

2шт.

23

01643-30823

WASHER

SN: 10002-UP

2шт.

24

232-06-57190

CAP

SN: 10002-UP

1шт.

25

08037-02512

GROMMET

SN: 10002-UP

2шт.

26

08037-03614

GROMMET

SN: 10002-UP

1шт.

27

08037-02512

GROMMET

SN: 10002-UP

1шт.

28

08034-00519

BAND

SN: 10002-UP

2шт.

29

08036-02514

CLIP

SN: 10002-UP

1шт.

30

08036-03014

CLIP

SN: 10002-UP

2шт.

31

01010-51016

BOLT

SN: 10002-UP

2шт.

32

01643-31032

WASHER

SN: 10002-UP

2шт.

Выбрано товаров: 36