Запчасти Komatsu GD805A-1 ТРАНСМИССИЯ МАСЛ. PRESSURE КОНТРОЛЬ ТРУБЫ(№-) СИЛОВАЯ ПЕРЕДАЧА

Схема запчастей Komatsu GD805A-1 - ТРАНСМИССИЯ МАСЛ. PRESSURE КОНТРОЛЬ ТРУБЫ(№-) СИЛОВАЯ ПЕРЕДАЧА
FIT
1:1
100%

Артикул

Название

Примечание

Количество

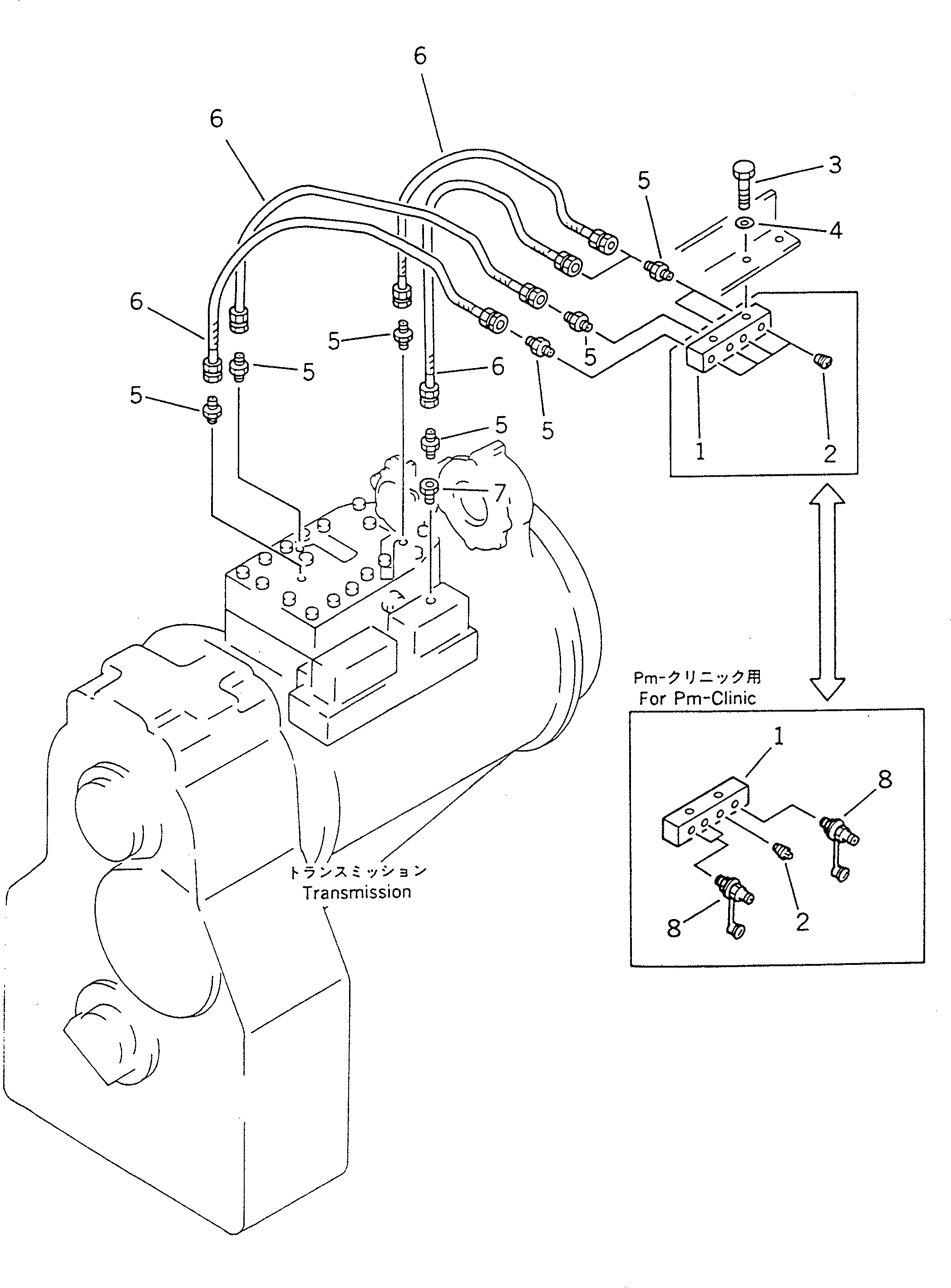
1

235-16-13110

JOINT

SN: 10002-10004

1шт.

2

07042-20108

PLUG

SN: 10002-@

4шт.

|2

07042-20108

PLUG,(FOR P.M. CLINIC)

SN: 10002-@

1шт.

3

01010-51020

BOLT

SN: 10002-@

2шт.

4

01643-31032

WASHER

SN: 10002-@

2шт.

5

07213-50610

CONNECTOR

SN: 10002-10004

8шт.

6

234-16-31420

TUBE

SN: 10002-10004

4шт.

7

7720-30-4610

TUBE

SN: 10002-10004

1шт.

8

799-101-5160

NIPPLE (K9)

SN: 10002-@

3шт.

Выбрано товаров: 9