Запчасти Komatsu GD825A-2 КОРПУС СДВОЕННОГО ПРИВОДА(№-) СИЛОВАЯ ПЕРЕДАЧА

Схема запчастей Komatsu GD825A-2 - КОРПУС СДВОЕННОГО ПРИВОДА(№-) СИЛОВАЯ ПЕРЕДАЧА
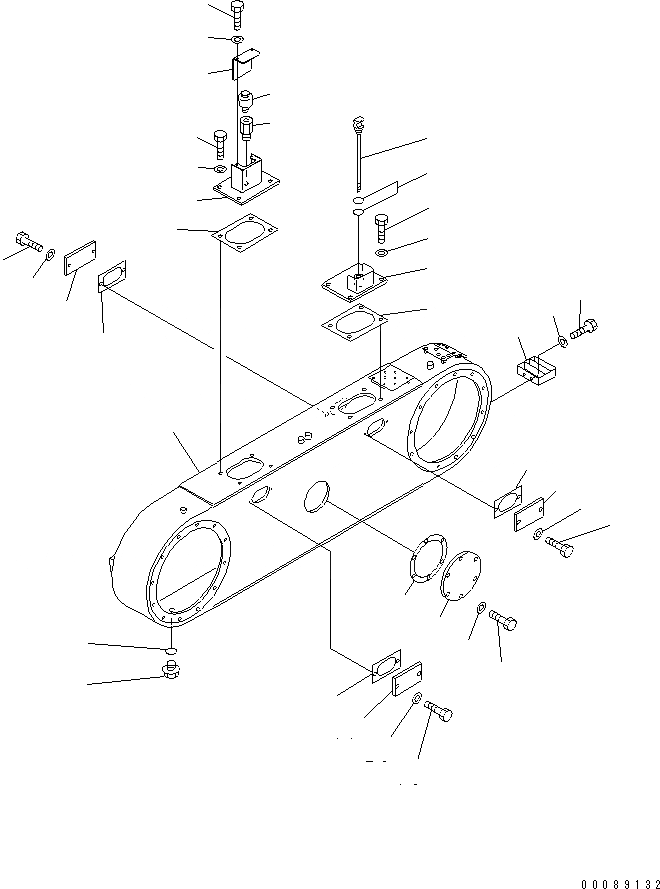
1
2
3
4
5
6
7
8
9
10
11
12
13
14
14
15
16
17
17
18
18
18
19
19
19
19
19
20
20
20
20
20
20
21
22
23
24
25
FIT
1:1
100%

Артикул

Название

Примечание

Количество

|$1

235-22-60102

AXLE ASS'Y

SN: 12624-UP

1шт.

|$2

235-22-60101

AXLE ASS'Y

SN: 12516-12623

1шт.

|$3

235-22-60100

AXLE ASS'Y

SN: 12503-12515

1шт.

|$$4

THESE ASSEMBLY CONSISTS OF ALL PARTS SHOWN IN FIGS.2581A TO 2661.

-1шт.

|$6

235-25-61001

TANDEM DRIVE ASS'Y

SN: 12503-UP

1шт.

|$$6

THIS ASSEMBLY CONSISTS OF ALL PARTS SHOWN IN FIGS.2651A TO 2659.

-1шт.

1

235-25-11551

CASE,L.H.

SN: 11001-UP

1шт.

1

235-25-11570

CASE,R.H.

SN: 11001-UP

1шт.

2

07044-12412

PLUG

SN: 11001-UP

2шт.

3

07002-12434

O-RING

SN: 11001-UP

2шт.

4

235-25-31150

STEP

SN: 11014-UP

2шт.

5

01010-81225

BOLT

SN: 11001-UP

4шт.

6

01643-31232

WASHER

SN: 11001-UP

4шт.

7

235-25-31130

COVER

SN: 11001-UP

2шт.

8

235-25-11510

GAUGE

SN: 11001-UP

2шт.

9

07002-12434

O-RING

SN: 11001-UP

4шт.

10

235-25-45150

COVER

SN: 12503-UP

2шт.

11

235-25-45160

COVER

SN: 12503-UP

2шт.

12

01010-60820

BOLT

SN: 12503-UP

4шт.

13

01643-30823

WASHER

SN: 12503-UP

4шт.

14

235-25-11141

GASKET

SN: 11001-UP

4шт.

15

234-25-31150

COVER

SN: 12022-UP

2шт.

16

07030-00252

BREATHER

SN: 12022-UP

2шт.

17

234-25-31150

COVER

SN: 11001-UP

6шт.

18

235-25-11160

GASKET

SN: 11001-UP

8шт.

19

01010-81230

BOLT

SN: 11001-UP

16шт.

20

01643-31232

WASHER

SN: 11001-UP

16шт.

21

235-25-11180

COVER

SN: 11001-UP

2шт.

22

235-25-11191

GASKET

SN: 11001-UP

2шт.

23

01010-81235

BOLT

SN: 11001-UP

12шт.

24

01643-31232

WASHER

SN: 11001-UP

12шт.

25

170-21-11190

NIPPLE

SN: 12022-UP

2шт.

Выбрано товаров: 32