Запчасти Komatsu GD825A-2 ДОПОЛН. ОМЫВАТЕЛЬ ТРУБЫ (ДЛЯ ЗАДН. ДВОРНИКИ) РАМА И ЧАСТИ КОРПУСА

Схема запчастей Komatsu GD825A-2 - ДОПОЛН. ОМЫВАТЕЛЬ ТРУБЫ (ДЛЯ ЗАДН. ДВОРНИКИ) РАМА И ЧАСТИ КОРПУСА
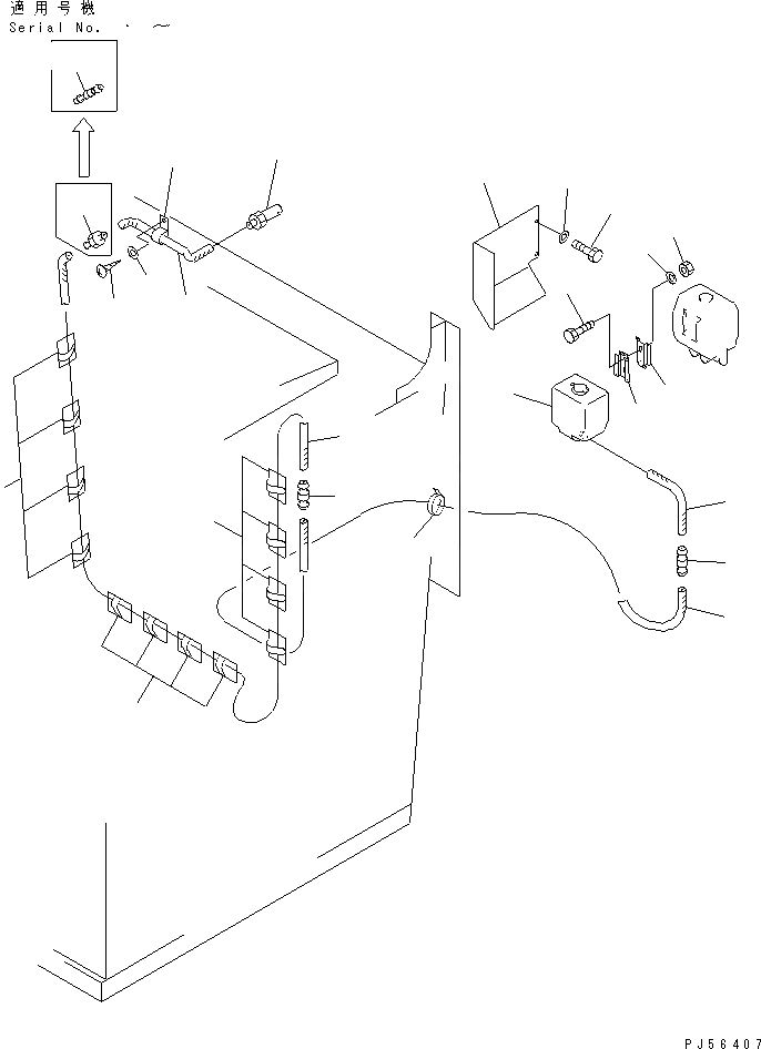
1
2
3
4
4
4
5
6
7
8
9
10
11
12
12
13
13
13
14
15
16
17
18
19
20
FIT
1:1
100%

Артикул

Название

Примечание

Количество

|1

232-950-5700

TANK ASS'Y,WINDOW WASHER

SN: 11001-UP

1шт.

1

232-856-5120

TANK ASS'Y

SN: 11001-UP

1шт.

2

232-856-5140

HOSE

SN: 11001-UP

1шт.

3

232-856-5160

CONNECTOR

SN: 11001-UP

1шт.

4

232-856-5260

HOSE¤ 10M

SN: 11001-UP

1шт.

5

232-856-5170

NOZZLE

SN: 11001-UP

1шт.

6

232-856-5130

BRACKET

SN: 11001-UP

1шт.

7

232-856-5130

BRACKET

SN: 11001-UP

1шт.

8

01010-50612

BOLT

SN: 11001-UP

2шт.

9

01580-10605

NUT

SN: 11001-UP

2шт.

10

01643-30623

WASHER

SN: 11001-UP

2шт.

11

232-856-5160

CONNECTOR

SN: 11001-UP

1шт.

12

120-Y79-5760

VALVE,CHECK

SN: .-UP

1шт.

|12

0

VALVE,CHECK

SN: 11001-.

1шт.

13

08051-00801

CLIP

SN: 11001-UP

15шт.

14

22W-54-18840

CLIP

SN: 11001-UP

1шт.

15

01370-00408

SCREW

SN: 11001-UP

1шт.

16

01641-20405

WASHER

SN: 11001-UP

1шт.

17

235-950-5380

COVER

SN: 11001-UP

1шт.

18

01010-50816

BOLT

SN: 11001-UP

2шт.

19

01643-30823

WASHER

SN: 11001-UP

2шт.

20

08034-00414

BAND

SN: 11001-UP

2шт.

Выбрано товаров: 22