Запчасти Komatsu GD825A-2 ЭЛЕКТРИКА (ЛИНИЯ ПАНЕЛИ МОНИТОРА)(№.-) КОМПОНЕНТЫ ДВИГАТЕЛЯ И ЭЛЕКТРИКА

Схема запчастей Komatsu GD825A-2 - ЭЛЕКТРИКА (ЛИНИЯ ПАНЕЛИ МОНИТОРА)(№.-) КОМПОНЕНТЫ ДВИГАТЕЛЯ И ЭЛЕКТРИКА
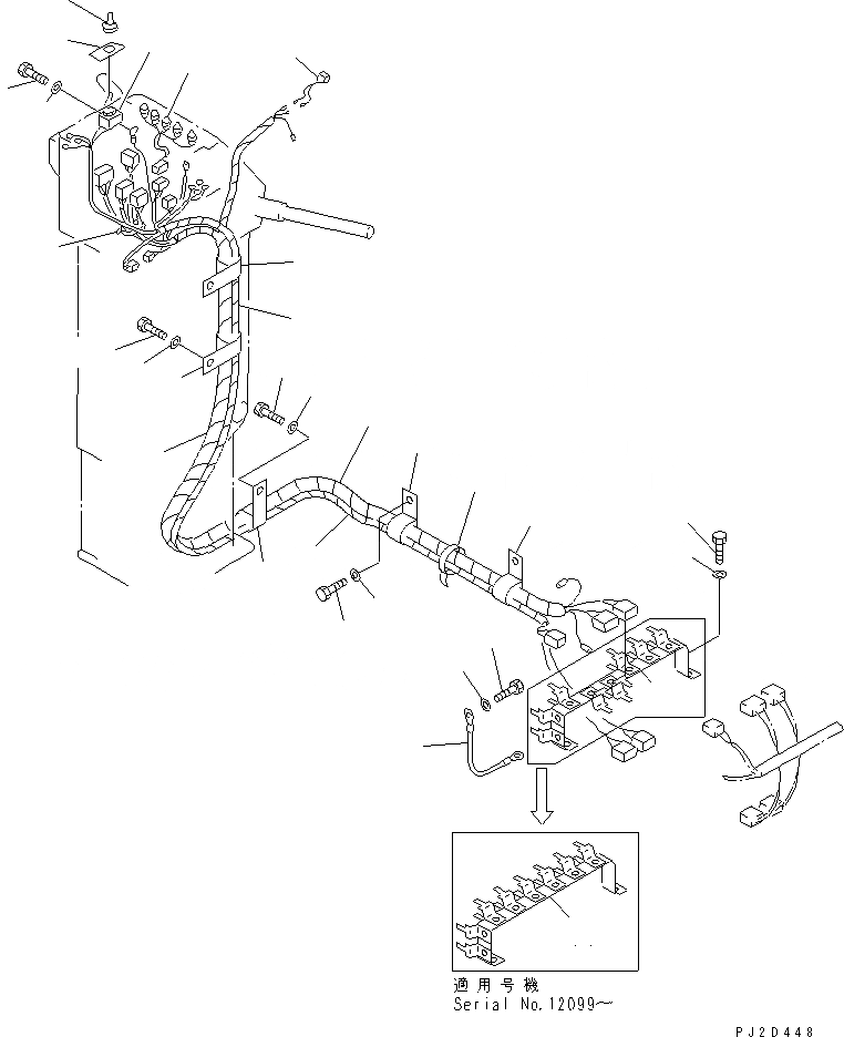
1
1
2
3
4
5
6
7
8
9
9
10
10
10
10
10
11
11
11
12
12
12
13
14
15
16
17
17
18
19
20
FIT
1:1
100%

Артикул

Название

Примечание

Количество

1

235-06-36410

HARNESS

SN: 12099-UP

1шт.

|1

235-06-31412

HARNESS

SN: 12021-12098

1шт.

2

262-96-72650

LAMP

SN: 12021-UP

1шт.

3

235-06-13330

LAMP ASS'Y,PANEL

SN: 11001-UP

1шт.

|3

08102-02403

BULB¤ 3W

SN: 11001-UP

5шт.

4

26A-06-11550

SWITCH,DIFFERENTIAL LOCK

SN: 11001-UP

1шт.

5

235-06-31590

CAP

SN: 11012-UP

1шт.

6

235-06-35391

PLATE¤ MARK,ON-OFF

SN: 12001-UP

1шт.

7

01010-80812

BOLT

SN: 11001-UP

1шт.

8

01643-30823

WASHER

SN: 11001-UP

1шт.

9

235-06-36420

HARNESS

SN: 12099-UP

1шт.

|9

235-06-31280

HARNESS

SN: 11001-12098

1шт.

10

08036-03014

CLIP

SN: 11001-UP

5шт.

11

01010-81016

BOLT

SN: 11001-UP

5шт.

12

01643-31032

WASHER

SN: 11001-UP

5шт.

13

08034-00414

BAND

SN: 11001-UP

5шт.

14

238-06-11160

CABLE

SN: 11001-UP

1шт.

15

01010-81016

BOLT

SN: 11001-UP

2шт.

16

01643-31032

WASHER

SN: 11001-UP

2шт.

17

235-06-36550

BRACKET

SN: 12099-UP

1шт.

|17

235-06-35261

BRACKET

SN: 11031-12098

1шт.

18

01010-81020

BOLT

SN: 11031-UP

2шт.

19

01643-31032

WASHER

SN: 11031-UP

2шт.

20

08034-00519

BAND

SN: 12021-UP

4шт.

Выбрано товаров: 24