Запчасти Komatsu GD825A-2 МАРКИРОВКА (ЯПОН.)(№-) МАРКИРОВКА¤ ИНСТРУМЕНТ И РЕМКОМПЛЕКТЫ

Схема запчастей Komatsu GD825A-2 - МАРКИРОВКА (ЯПОН.)(№-) МАРКИРОВКА¤ ИНСТРУМЕНТ И РЕМКОМПЛЕКТЫ
FIT
1:1
100%

Артикул

Название

Примечание

Количество

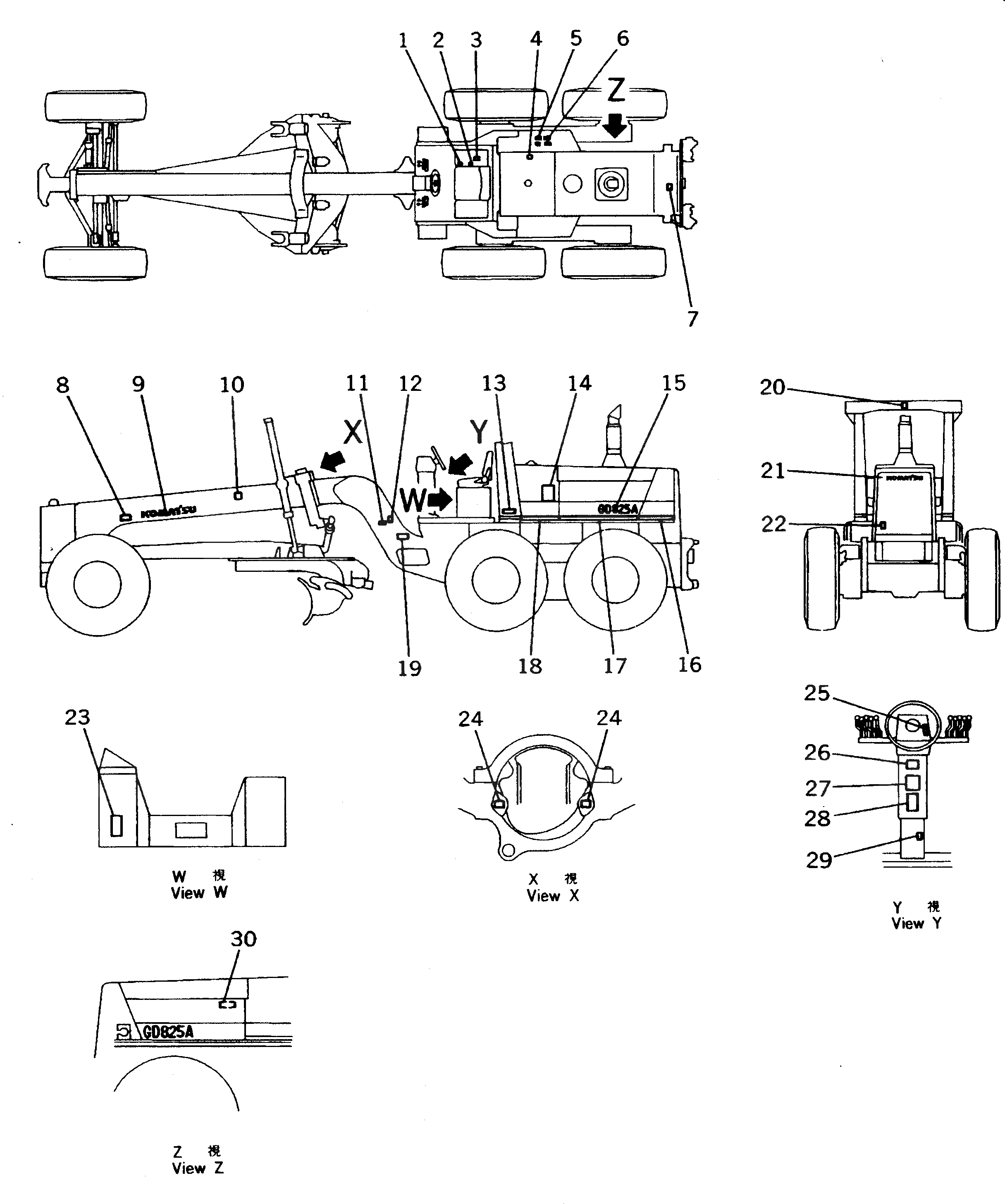
1

235-45-31270

PLATE¤ INSTRUCTION,SHIFT LOCK¤ FREE

SN: 11001-@

1шт.

2

235-45-31260

PLATE¤ INSTRUCTION,SHIFT LOCK

SN: 11001-@

1шт.

3

09683-0000A

PLATE¤ OPERATING,STARTER

SN: 11031-@

1шт.

|3

09683-30150

PLATE¤ OPERATING,STARTER

SN: 11001-11030

1шт.

4

14X-98-11131

PLATE¤ SAFETY,HYDRAULIC TANK CAP

SN: 11001-@

1шт.

5

235-53-31350

PLATE¤ INSTRUCTION,BATTERY CABLE

SN: 11001-@

2шт.

6

235-53-31360

PLATE¤ INSTRUCTION,BATTERY

SN: 11001-@

2шт.

7

14X-98-11141

PLATE¤ SAFETY,RADIATOR CAP

SN: 11001-@

1шт.

8

235-53-31410

PLATE¤ CAUTION,STEERING HOSE

SN: 11001-@

2шт.

9

09690-B0710

PLATE¤ MARK,KOMATSU

SN: 11001-@

2шт.

10

235-53-31340

PLATE¤ SAFETY,ACCUMULATOR

SN: 11001-@

2шт.

11

235-53-31390

PLATE¤ CAUTION,ARTICULATE LOCK

SN: 11001-@

2шт.

12

235-53-31330

PLATE¤ SAFETY,KEEP OUT

SN: 11001-@

2шт.

13

09620-01200

PLATE¤ NAME,ROPS

SN: 11001-@

1шт.

14

235-53-31310

OIL CHART

SN: 11001-12000

1шт.

15

235-53-11631

MARK,GD825A

SN: 11001-12000

2шт.

16

235-53-11540

STRIPE

SN: 11001-12000

2шт.

17

235-53-11530

STRIPE

SN: 11001-12000

2шт.

18

235-53-11520

STRIPE

SN: 11001-12000

2шт.

19

09602-01643

PLATE¤ NAME,(LIMITED SUPPLY)

SN: 11001-@

1шт.

|19

04418-03060

SCREW

SN: 11001-@

4шт.

20

235-53-31420

PLATE¤ CAUTION,CAB LIFT

SN: 11001-@

1шт.

21

09690-C0450

PLATE¤ MARK,KOMATSU

SN: 11001-@

1шт.

22

235-53-31470

TAG

SN: 11001-@

1шт.

23

235-53-31430

PLATE¤ CAUTION,FUSE

SN: 11001-@

1шт.

24

235-53-31380

PLATE¤ CAUTION,AIR CYLINDER

SN: 11001-@

2шт.

25

23A-53-11550

PLATE¤ OPERATING,TURN SIGNAL

SN: 11001-@

1шт.

26

235-53-31370

PLATE¤ SAFETY,BANK PIN

SN: 11001-@

1шт.

27

14X-98-11280

PLATE¤ SAFETY,BEFORE OPERATING

SN: 11001-@

1шт.

28

235-53-31320

PLATE¤ SAFETY

SN: 11001-@

1шт.

29

235-53-31450

PLATE¤ SAFETY,ACCEL. AND DECEL. PEDAL

SN: 11001-@

1шт.

30

09637-01161

PLATE¤ INSTRUCTION,AIR CLEANER

SN: 11001-12000

1шт.

Выбрано товаров: 32