Запчасти Komatsu S6D140E-2B-6 ВОЗДУХООЧИСТИТЕЛЬ (ДЛЯ DIAVIK)(№-) ДВИГАТЕЛЬ

Схема запчастей Komatsu S6D140E-2B-6 - ВОЗДУХООЧИСТИТЕЛЬ (ДЛЯ DIAVIK)(№-) ДВИГАТЕЛЬ
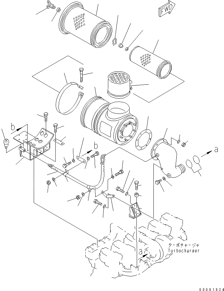
1
2
3
4
5
6
7
8
9
10
11
12
13
14
15
16
17
18
19
20
21
22
23
24
25
26
27
28
29
29
30
31
32
32
33
33
34
34
35
35
35
35
36
37
38
1
2
3
4
5
6
7
8
9
10
11
12
13
14
15
16
17
18
19
20
21
22
23
24
25
26
27
28
29
29
30
31
32
32
33
33
34
34
35
35
35
35
36
37
38
FIT
1:1
100%

Артикул

Название

Примечание

Количество

1

6211-81-5110

BODY,AIR CLEANER

SN: 30115-UP

1шт.

|$4

6128-81-7093

ELEMENT ASS'Y

SN: 30115-UP

1шт.

|$5

600-181-4501

ELEMENT ASS'Y,OUTER

SN: 30115-UP

1шт.

2

0

ELEMENT,OUTER

SN: 30115-UP

1шт.

3

600-181-4490

GASKET

SN: 30115-UP

1шт.

4

600-181-4430

CLIP

SN: 30115-UP

1шт.

5

600-181-4420

NUT,WING

SN: 30115-UP

1шт.

6

0

ELEMENT,INNER

SN: 30115-UP

1шт.

7

600-181-4470

WASHER,SEAL

SN: 30115-UP

1шт.

8

600-181-4370

NUT

SN: 30115-UP

1шт.

9

6127-11-4360

BAND ASS'Y

SN: 30115-UP

1шт.

9

6691-21-6550

PIN

SN: 30115-UP

1шт.

9

6691-21-6560

PIN, WITH THREAD

SN: 30115-UP

1шт.

10

6643-11-4641

BOLT

SN: 30115-UP

1шт.

11

600-181-4882

PRE-CLEANER ASS'Y

SN: 30115-UP

1шт.

12

6127-81-4823

GASKET (K1)

SN: 30115-UP

1шт.

13

01580-11008

NUT

SN: 30115-UP

8шт.

14

01640-21016

WASHER

SN: 30115-UP

8шт.

15

6211-11-4351

CONNECTOR,AIR

SN: 30115-UP

1шт.

16

02895-67081

O-RING (K1)

SN: 30115-UP

2шт.

17

6211-11-4710

BRACKET

SN: 30115-UP

1шт.

18

01010-81025

BOLT

SN: 30115-UP

1шт.

19

01643-31032

WASHER

SN: 30115-UP

1шт.

20

01010-E1040

BOLT

SN: 30115-UP

2шт.

21

6631-11-5630

SPACER

SN: 30115-UP

2шт.

22

6211-11-4690

BRACKET

SN: 30115-UP

1шт.

23

01010-81035

BOLT

SN: 30115-UP

1шт.

24

01643-31032

WASHER

SN: 30115-UP

1шт.

25

560-60-12471

PLUG

SN: 30115-UP

1шт.

26

6164-91-6220

GASKET

SN: 30115-UP

1шт.

27

6211-11-4671

BRACKET

SN: 30115-UP

1шт.

28

6136-81-4540

PLATE

SN: 30115-UP

2шт.

29

01010-81025

BOLT

SN: 30115-UP

6шт.

30

08670-02001

INDICATOR,DUST

SN: 30115-UP

1шт.

31

08671-50090

HOSE

SN: 30115-UP

1шт.

32

08036-91414

CLIP

SN: 30115-UP

2шт.

33

01010-81020

BOLT

SN: 30115-UP

2шт.

34

01580-11008

NUT

SN: 30115-UP

2шт.

35

01640-21016

WASHER

SN: 30115-UP

4шт.

36

6212-11-5830

PLATE

SN: 30115-UP

1шт.

37

01010-81020

BOLT

SN: 30115-UP

1шт.

38

01640-21016

WASHER

SN: 30115-UP

1шт.

1

6211-81-5110

BODY,AIR CLEANER

SN: 30115-UP

1шт.

|$4

6128-81-7093

ELEMENT ASS'Y

SN: 30115-UP

1шт.

|$5

600-181-4501

ELEMENT ASS'Y,OUTER

SN: 30115-UP

1шт.

2

0

ELEMENT,OUTER

SN: 30115-UP

1шт.

3

600-181-4490

GASKET

SN: 30115-UP

1шт.

4

600-181-4430

CLIP

SN: 30115-UP

1шт.

5

600-181-4420

NUT,WING

SN: 30115-UP

1шт.

6

0

ELEMENT,INNER

SN: 30115-UP

1шт.

7

600-181-4470

WASHER,SEAL

SN: 30115-UP

1шт.

8

600-181-4370

NUT

SN: 30115-UP

1шт.

9

6127-11-4360

BAND ASS'Y

SN: 30115-UP

1шт.

9

6691-21-6550

PIN

SN: 30115-UP

1шт.

9

6691-21-6560

PIN, WITH THREAD

SN: 30115-UP

1шт.

10

6643-11-4641

BOLT

SN: 30115-UP

1шт.

11

600-181-4882

PRE-CLEANER ASS'Y

SN: 30115-UP

1шт.

12

6127-81-4823

GASKET (K1)

SN: 30115-UP

1шт.

13

01580-11008

NUT

SN: 30115-UP

8шт.

14

01640-21016

WASHER

SN: 30115-UP

8шт.

15

6211-11-4351

CONNECTOR,AIR

SN: 30115-UP

1шт.

16

02895-67081

O-RING (K1)

SN: 30115-UP

2шт.

17

6211-11-4710

BRACKET

SN: 30115-UP

1шт.

18

01010-81025

BOLT

SN: 30115-UP

1шт.

19

01643-31032

WASHER

SN: 30115-UP

1шт.

20

01010-E1040

BOLT

SN: 30115-UP

2шт.

21

6631-11-5630

SPACER

SN: 30115-UP

2шт.

22

6211-11-4690

BRACKET

SN: 30115-UP

1шт.

23

01010-81035

BOLT

SN: 30115-UP

1шт.

24

01643-31032

WASHER

SN: 30115-UP

1шт.

25

560-60-12471

PLUG

SN: 30115-UP

1шт.

26

6164-91-6220

GASKET

SN: 30115-UP

1шт.

27

6211-11-4671

BRACKET

SN: 30115-UP

1шт.

28

6136-81-4540

PLATE

SN: 30115-UP

2шт.

29

01010-81025

BOLT

SN: 30115-UP

6шт.

30

08670-02001

INDICATOR,DUST

SN: 30115-UP

1шт.

31

08671-50090

HOSE

SN: 30115-UP

1шт.

32

08036-91414

CLIP

SN: 30115-UP

2шт.

33

01010-81020

BOLT

SN: 30115-UP

2шт.

34

01580-11008

NUT

SN: 30115-UP

2шт.

35

01640-21016

WASHER

SN: 30115-UP

4шт.

36

6212-11-5830

PLATE

SN: 30115-UP

1шт.

37

01010-81020

BOLT

SN: 30115-UP

1шт.

38

01640-21016

WASHER

SN: 30115-UP

1шт.

Выбрано товаров: 84