Запчасти Komatsu GD825A-2E0 ТРАНСМИССИЯ (УПРАВЛЯЮЩ. КЛАПАН) (/)(№99-) СИЛОВАЯ ПЕРЕДАЧА

Схема запчастей Komatsu GD825A-2E0 - ТРАНСМИССИЯ (УПРАВЛЯЮЩ. КЛАПАН) (/)(№99-) СИЛОВАЯ ПЕРЕДАЧА
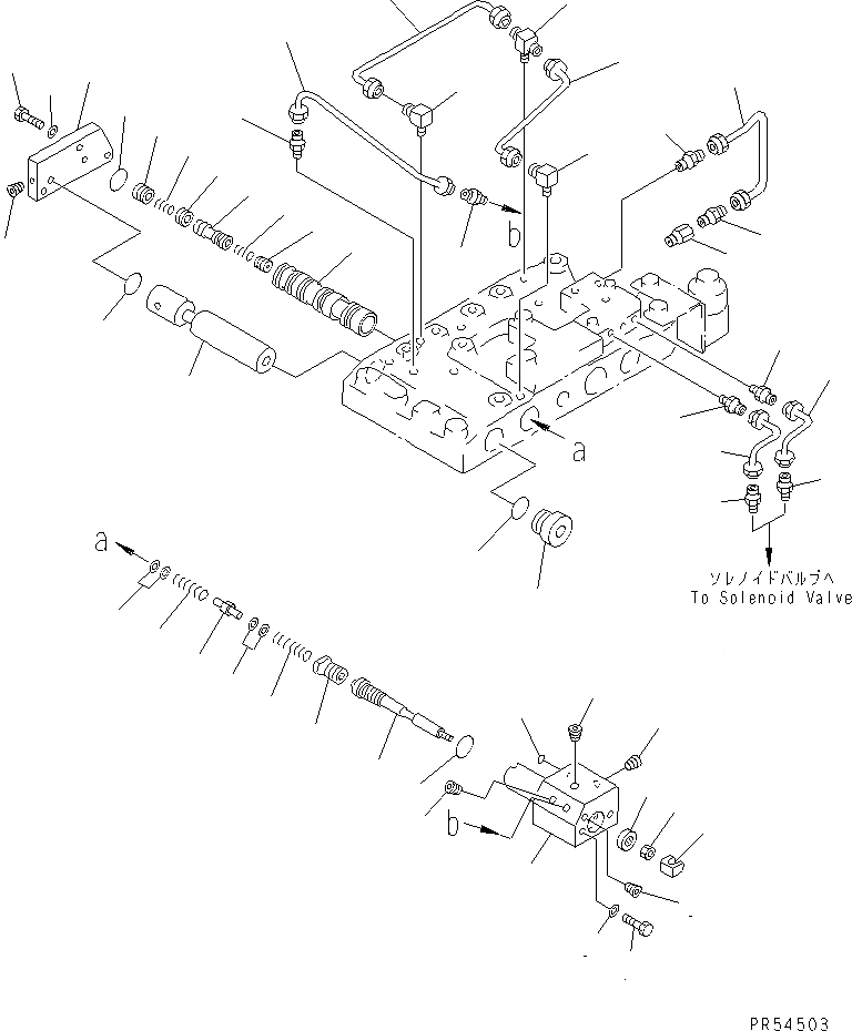
1
2
3
4
5
5
5
5
6
7
8
9
10
11
12
13
14
15
16
17
18
19
19
20
21
22
23
24
25
26
27
28
29
30
31
32
33
33
34
35
36
37
38
39
39
40
40
40
40
41
42
42
43
FIT
1:1
100%

Артикул

Название

Примечание

Количество

|$0

235-15-21014

TRANSMISSION ASS'Y,(EXCEPT P.T.O.)

SN: 12117-UP

1шт.

|$1

0

TRANSMISSION ASS'Y,(EXCEPT P.T.O.)

SN: 12099-12116

1шт.

|$$3

THESE ASSEMBLIES CONSIST OF ALL PARTS SHOWN IN FIGS.2401B TO 2459C.

-1шт.

|$3

235-15-25003

CONTROL VALVE ASS'Y

SN: 12117-UP

1шт.

|$4

0

CONTROL VALVE ASS'Y

SN: 12099-12116

1шт.

|$$6

THESE ASSEMBLIES CONSIST OF ALL PARTS SHOWN IN FIGS.2451BTO 2459C.

-1шт.

1

235-15-25160

SPOOL

SN: 12099-UP

1шт.

2

235-15-15711

YOKE

SN: 12099-UP

1шт.

3

01580-10806

NUT

SN: 12099-UP

1шт.

4

235-15-25230

COVER

SN: 12099-UP

1шт.

5

07043-70108

PLUG

SN: 12099-UP

4шт.

6

07000-01009

O-RING

SN: 12099-UP

1шт.

7

01010-50875

BOLT

SN: 12099-UP

2шт.

8

01643-50823

WASHER

SN: 12099-UP

2шт.

9

235-15-19120

SEAL,OIL

SN: 12099-UP

1шт.

10

07000-72021

O-RING

SN: 12099-UP

1шт.

11

235-15-25170

STOPPER

SN: 12099-UP

1шт.

12

235-15-26190

SPRING,(L=24.5)

SN: 12099-12116

1шт.

13

103-15-35270

SHIM, 0.5MM

SN: 12099-12116

4шт.

14

235-15-25181

STOPPER

SN: 12099-12116

1шт.

15

235-15-26181

SPRING

SN: 12117-UP

1шт.

15

235-15-26180

SPRING,(L=31.3)

SN: 12099-12116

1шт.

16

104-15-36480

SHIM, 0.5MM

SN: 12117-UP

3шт.

16

104-15-36480

SHIM, 0.5MM

SN: 12099-12116

2шт.

17

235-15-25421

VALVE

SN: 12099-UP

1шт.

18

103-15-15460

VALVE

SN: 12099-UP

1шт.

19

125-15-15290

SPRING,(L=26)

SN: 12099-UP

2шт.

20

235-15-25480

SLEEVE

SN: 12099-UP

1шт.

21

104-15-25490

VALVE

SN: 12099-UP

1шт.

22

104-15-25480

VALVE

SN: 12099-UP

1шт.

23

07000-73030

O-RING

SN: 12099-UP

1шт.

24

07040-13016

PLUG

SN: 12099-UP

1шт.

25

07002-03034

O-RING

SN: 12099-UP

1шт.

26

235-15-15720

SPACER

SN: 12099-UP

1шт.

27

07000-73030

O-RING

SN: 12099-UP

1шт.

28

235-15-15880

COVER

SN: 12099-UP

1шт.

29

01010-80830

BOLT

SN: 12099-UP

3шт.

30

01643-50823

WASHER

SN: 12099-UP

3шт.

31

07043-70108

PLUG

SN: 12099-UP

1шт.

32

235-15-26310

TUBE

SN: 12099-UP

1шт.

33

07213-50710

CONNECTOR

SN: 12099-UP

2шт.

34

235-15-16320

TUBE

SN: 12099-UP

1шт.

35

176-43-41350

ELBOW

SN: 12099-UP

1шт.

36

235-15-16330

TUBE

SN: 12099-UP

1шт.

37

235-15-16360

TEE

SN: 12099-UP

1шт.

38

176-43-41350

ELBOW

SN: 12099-UP

1шт.

39

235-15-16350

TUBE

SN: 12099-UP

2шт.

40

07213-50710

CONNECTOR

SN: 12099-UP

4шт.

41

235-15-16340

TUBE

SN: 12099-UP

1шт.

42

07213-50710

CONNECTOR

SN: 12099-UP

2шт.

43

207-68-11170

NIPPLE

SN: 12099-UP

1шт.

Выбрано товаров: 0