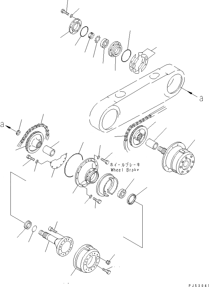
Запчасти Komatsu GH320-2 СДВОЕНН. ПРИВОД ПРИВОД И ЦЕПЬ (ЛЕВ.) (СПЕЦ-Я С АВТОМ. ТРАНСМИССИЕЙ)(№9-) СИЛОВАЯ ПЕРЕДАЧА

Схема запчастей Komatsu GH320-2 - СДВОЕНН. ПРИВОД ПРИВОД И ЦЕПЬ (ЛЕВ.) (СПЕЦ-Я С АВТОМ. ТРАНСМИССИЕЙ)(№9-) СИЛОВАЯ ПЕРЕДАЧА
1
2
3
4
4
5
6
7
8
9
10
11
12
13
13
14
15
16
17
17
18
19
19
20
21
22
23
24
25
26
27
28
29
30
31
31
FIT
1:1
100%

Артикул

Название

Примечание

Количество

1

234-23-31110

CAGE

SN: 12019-UP

2шт.

2

01010-81645

BOLT

SN: .-UP

20шт.

|2

0

BOLT

SN: 12019-.

20шт.

3

01010-81650

BOLT

SN: .-UP

4шт.

|3

0

BOLT

SN: 12019-.

4шт.

4

01643-31645

WASHER

SN: 12019-UP

24шт.

5

234-23-31180

COVER

SN: 12019-UP

2шт.

6

01010-81016

BOLT

SN: .-UP

14шт.

|6

0

BOLT

SN: 12019-.

14шт.

7

01643-31032

WASHER

SN: 12019-UP

14шт.

8

234-23-31160

BEARING

SN: 12019-UP

2шт.

9

234-23-31130

SPACER (K7)

SN: 12019-UP

2шт.

10

07000-12110

O-RING (K7)

SN: 12019-UP

2шт.

11

234-23-31170

SEAL,OIL (K7)

SN: 12019-UP

2шт.

12

234-23-31121

SHAFT

SN: 12019-UP

2шт.

13

234-23-31150

DRUM

SN: 12019-UP

2шт.

14

01010-81020

BOLT

SN: .-UP

10шт.

|14

01010-51020

BOLT

SN: 12019-.

10шт.

15

23F-23-11120

BOLT

SN: 12019-UP

20шт.

16

234-23-13210

NUT

SN: 12019-UP

20шт.

17

234-23-31140

COLLAR

SN: 12019-UP

2шт.

18

07000-15500

O-RING (K7)

SN: 12019-UP

2шт.

19

234-25-31190

SPROCKET

SN: 12019-UP

2шт.

20

234-25-31250

SPACER

SN: 12019-UP

2шт.

21

06002-32218

BEARING

SN: 12019-UP

2шт.

22

01531-09016

NUT

SN: 12019-UP

2шт.

23

01659-09018

WASHER

SN: 12019-UP

2шт.

24

234-25-31260

CAGE

SN: 12019-UP

2шт.

25

07000-15200

O-RING (K7)

SN: 12019-UP

2шт.

26

234-25-00030

SHIM ASS'Y

SN: 12019-UP

4шт.

|26

0

SHIM¤ 0.1MM

SN: 12019-UP

4шт.

|26

0

SHIM¤ 0.2MM

SN: 12019-UP

8шт.

|26

0

SHIM¤ 0.5MM

SN: 12019-UP

4шт.

27

234-25-31370

CAGE

SN: 12019-UP

2шт.

28

01010-81670

BOLT

SN: .-UP

12шт.

|28

01010-51670

BOLT

SN: 12019-.

12шт.

29

01643-31645

WASHER

SN: 12019-UP

12шт.

30

07000-15180

O-RING (K7)

SN: 12019-UP

2шт.

31

234-25-31400

CHAIN ASS'Y,RS180

SN: 12019-UP

2шт.

|31

234-25-31410

LINK ASS'Y,JOINT

SN: 12019-UP

1шт.

|31

234-25-31420

PIN,COTTER

SN: 12019-UP

2шт.

Выбрано товаров: 41