Запчасти Komatsu GH320-2 РАМА (СПЕЦ-Я С АВТОМ. ТРАНСМИССИЕЙ)(№9-) РАМА И ЧАСТИ КОРПУСА

Схема запчастей Komatsu GH320-2 - РАМА (СПЕЦ-Я С АВТОМ. ТРАНСМИССИЕЙ)(№9-) РАМА И ЧАСТИ КОРПУСА
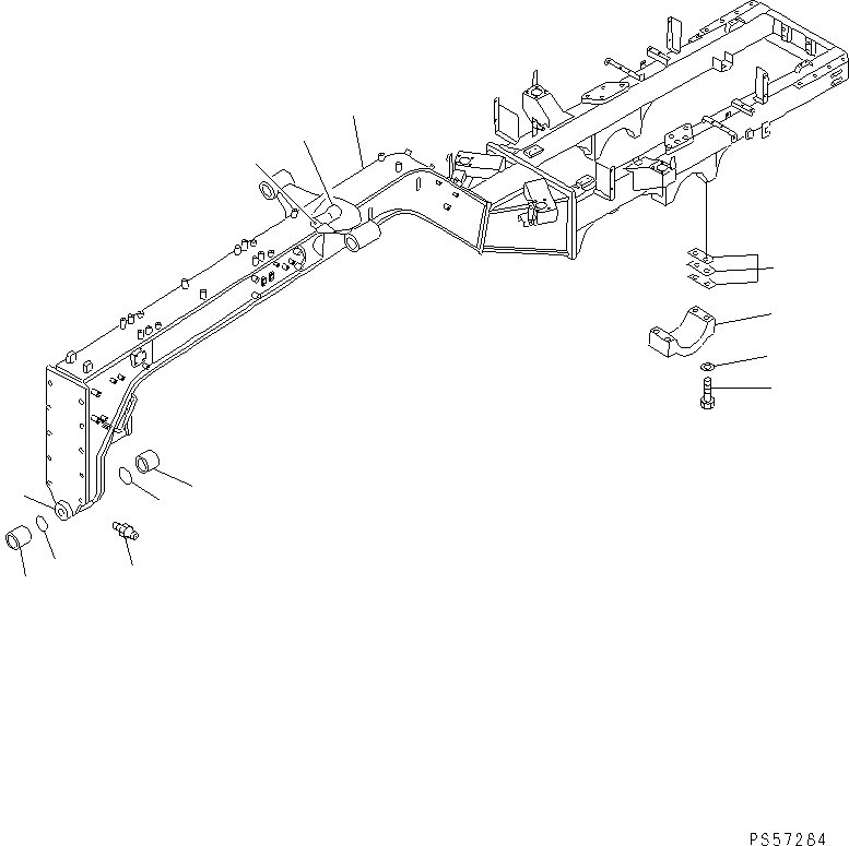
1
2
3
4
5
5
6
6
7
8
9
10
11
FIT
1:1
100%

Артикул

Название

Примечание

Количество

|1

23F-46-21010

FRAME

SN: 12019-UP

1шт.

1

23F-46-21000

FRAME

SN: 12019-UP

1шт.

2

234-46-31131

BOSS (WELDED)

SN: 12019-UP

1шт.

3

234-46-11130

BRACKET (WELDED)

SN: 12019-UP

1шт.

4

234-70-34141

STUD,BALL (WELDED)

SN: 12019-UP

1шт.

5

234-46-31280

BUSHING

SN: 12019-UP

2шт.

6

07000-15095

O-RING

SN: 12019-UP

2шт.

7

234-46-32581

CAP

SN: 12019-UP

2шт.

8

234-46-01010

SHIM ASS'Y

SN: 12019-UP

4шт.

|8

0

SHIM¤ 0.5MM

SN: 12019-UP

1шт.

|8

0

SHIM¤ 1.0MM

SN: 12019-UP

1шт.

|8

0

SHIM¤ 0.2MM

SN: 12019-UP

2шт.

9

01011-82445

BOLT

SN: 12019-UP

8шт.

10

01643-32460

WASHER

SN: 12019-UP

8шт.

11

07020-00675

FITTING,GREASE

SN: 12019-UP

2шт.

Выбрано товаров: 15