Запчасти Komatsu GH320-2 ГИДРОЛИНИЯ (НАСОС РУЛЕВ. УПРАВЛ-Я - КЛАПАН ДЕЛИТЕЛЯ ПОТОКА) ГИДРАВЛИКА

Схема запчастей Komatsu GH320-2 - ГИДРОЛИНИЯ (НАСОС РУЛЕВ. УПРАВЛ-Я - КЛАПАН ДЕЛИТЕЛЯ ПОТОКА) ГИДРАВЛИКА
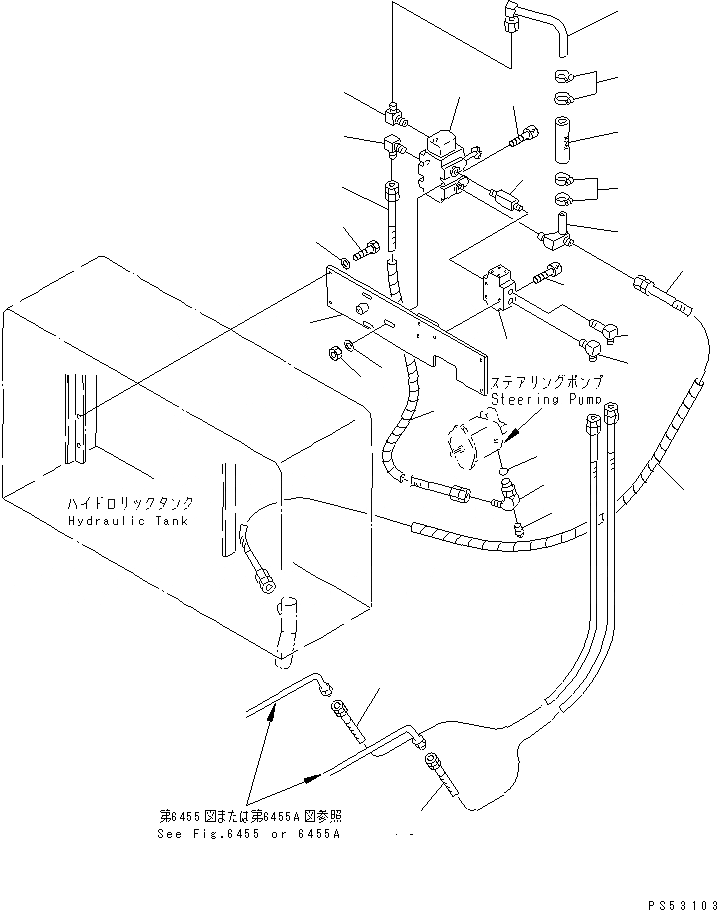
1
2
3
4
5
6
7
8
9
10
11
12
13
14
15
15
16
17
18
19
20
21
22
22
23
24
25
25
FIT
1:1
100%

Артикул

Название

Примечание

Количество

1

237-11-22220

ELBOW

SN: 11001-UP

1шт.

2

238-40-16140

O-RING

SN: 11001-UP

1шт.

3

07042-30108

PLUG

SN: 11001-UP

1шт.

4

230-09-04065

HOSE

SN: 11003-UP

1шт.

|4

230-09-04085

HOSE

SN: 11001-11002

1шт.

5

234-943-6260

ELBOW

SN: 11001-UP

1шт.

6

234-843-1320

VALVE ASS'Y,FLOW DIVIDER

SN: 11001-UP

1шт.

7

01252-40865

BOLT

SN: 11001-UP

3шт.

8

01643-30823

WASHER

SN: 11002-UP

3шт.

|8

0

WASHER

SN: 11001-11001

3шт.

9

01580-10806

NUT

SN: 11001-UP

3шт.

10

23F-843-1520

NIPPLE

SN: 11001-UP

1шт.

11

234-843-1330

VALVE

SN: 11001-UP

1шт.

12

01252-40645

BOLT

SN: 11002-UP

3шт.

|12

0

BOLT

SN: 11001-11001

3шт.

13

238-943-1260

ELBOW

SN: 11001-UP

1шт.

14

233-40-33190

ELBOW

SN: 11001-UP

1шт.

15

230-09-23280

HOSE

SN: 11001-UP

2шт.

16

23F-843-1610

PLATE

SN: 11001-UP

1шт.

17

01010-81025

BOLT

SN: .-UP

4шт.

|17

0

BOLT

SN: 11001-.

4шт.

18

01643-31032

WASHER

SN: 11001-UP

4шт.

19

234-843-1550

ELBOW

SN: 11001-UP

1шт.

20

23F-843-1530

TUBE

SN: 11001-UP

1шт.

21

07260-21414

HOSE

SN: 11001-UP

1шт.

22

07281-00259

CLAMP

SN: 11001-UP

4шт.

23

23F-843-1511

ELBOW

SN: 11002-UP

1шт.

|23

23F-843-1510

ELBOW

SN: 11001-11001

1шт.

24

23F-843-1190

HOSE

SN: 11003-UP

1шт.

|24

07102-20407

HOSE

SN: 11001-11002

1шт.

25

273-60-24450

TUBE,SPIRAL

SN: 11006-UP

2шт.

Выбрано товаров: 31