Запчасти Komatsu GH320-2 ЭЛЕКТРИКА (ПЕРЕДН. ЛИНИЯ)(№7-) КОМПОНЕНТЫ ДВИГАТЕЛЯ И ЭЛЕКТРИКА

Схема запчастей Komatsu GH320-2 - ЭЛЕКТРИКА (ПЕРЕДН. ЛИНИЯ)(№7-) КОМПОНЕНТЫ ДВИГАТЕЛЯ И ЭЛЕКТРИКА
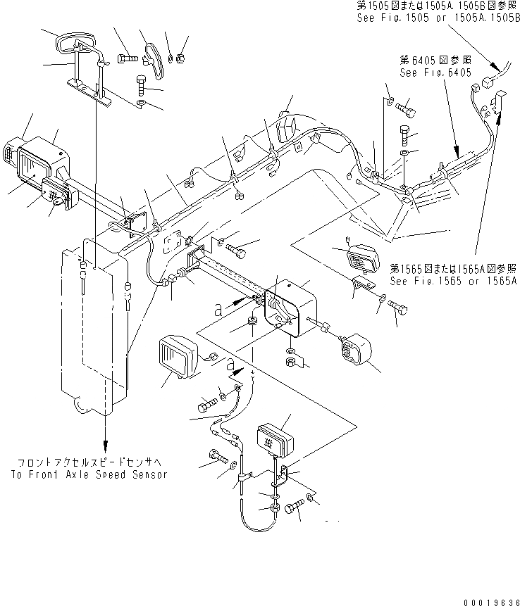
1
2
3
3
3
4
5
6
6
6
7
7
8
8
8
9
10
11
11A
12
13
13
14
15
16
17
17
18
19
19
20
20
21
21
21
22
23
24
25
26
26
27
28
29
30
31
32
33
34
35
36
37
38
39
FIT
1:1
100%

Артикул

Название

Примечание

Количество

1

23F-06-11911

BRACKET,L.H.

SN: 12071-UP

1шт.

2

23F-06-11921

BRACKET,R.H.

SN: 12071-UP

1шт.

3

08037-02512

GROMMET

SN: 11001-UP

4шт.

4

08037-01610

GROMMET

SN: 11001-UP

2шт.

5

23F-06-11310

HARNESS

SN: 11001-UP

2шт.

6

23B-06-22160

LAMP ASS'Y,HEAD

SN: 12039-UP

2шт.

|6

23B-06-21170

WIRE ASS'Y

SN: 12039-UP

2шт.

|6

23B-06-21180

LENS

SN: 12039-UP

2шт.

7

23F-06-11130

LAMP ASS'Y,COMBINATION

SN: 11001-UP

2шт.

|7

23F-06-11550

BULB¤ 25W

SN: 11001-UP

1шт.

|7

23F-06-11650

BULB¤ 12W

SN: 11001-UP

1шт.

|7

23F-06-11540

LENS

SN: 11001-UP

1шт.

8

561-95-14200

FOG LAMP ASS'Y

SN: 12071-UP

2шт.

|8

196-06-34350

BULB¤ 55W

SN: 12071-UP

1шт.

9

01643-30823

WASHER

SN: 11001-UP

2шт.

10

01010-51020

BOLT

SN: 11001-UP

8шт.

11

01643-31032

WASHER

SN: 11001-UP

8шт.

11A

20U-54-25190

WASHER

SN: 12041-UP

2шт.

12

23F-06-11321

HARNESS

SN: 11002-UP

1шт.

13

23B-06-22211

LAMP ASS'Y,WORK

SN: 11002-UP

2шт.

|13

08119-02460

BULB¤ 60W

SN: 11002-UP

1шт.

|13

23B-06-12241

LENS

SN: 11002-UP

1шт.

14

23B-06-22220

BRACKET

SN: 11001-UP

2шт.

15

01010-81430

BOLT

SN: .-UP

2шт.

|15

0

BOLT

SN: 11001-.

2шт.

16

01643-31445

WASHER

SN: 11001-UP

2шт.

17

08036-02514

CLIP

SN: 11001-UP

2шт.

18

08036-01014

CLIP

SN: 11001-UP

1шт.

19

01010-81430

BOLT

SN: .-UP

3шт.

|19

0

BOLT

SN: 11001-.

3шт.

20

01643-31032

WASHER

SN: 11001-UP

3шт.

21

08034-00519

BAND

SN: 11001-UP

4шт.

22

08034-00536

BAND

SN: 11001-UP

2шт.

23

23F-06-11270

BRACKET

SN: 11002-UP

1шт.

|23

232-06-15151

PIVOT

SN: 11001-UP

2шт.

24

01010-81025

BOLT

SN: .-UP

2шт.

|24

0

BOLT

SN: 11001-.

2шт.

25

01643-31032

WASHER

SN: 11001-UP

2шт.

26

08174-10001

MIRROR

SN: 11001-UP

2шт.

27

01010-80825

BOLT

SN: .-UP

2шт.

|27

0

BOLT

SN: 11001-.

2шт.

28

01580-10806

NUT

SN: 11001-UP

2шт.

29

01643-30823

WASHER

SN: 11001-UP

2шт.

30

581-06-11320

WIRE HARNESS

SN: 12071-UP

2шт.

31

23F-06-11560

BRACKET,R.H.

SN: 12071-UP

1шт.

32

23F-06-11570

BRACKET,L.H.

SN: 12071-UP

1шт.

33

01010-81025

BOLT

SN: 12071-UP

4шт.

34

01643-31032

WASHER

SN: 12071-UP

4шт.

35

04434-50508

CLIP

SN: 12071-UP

2шт.

36

01010-80816

BOLT

SN: 12071-UP

2шт.

37

01643-30823

WASHER

SN: 12071-UP

2шт.

38

01010-80610

BOLT

SN: 12071-UP

2шт.

39

01643-30623

WASHER

SN: 12071-UP

2шт.

Выбрано товаров: 53