Запчасти Komatsu GH320-2 ЭЛЕКТРИКА (ЛИНИЯ ПАНЕЛИ ПРИБОРОВ)(№-8) КОМПОНЕНТЫ ДВИГАТЕЛЯ И ЭЛЕКТРИКА

Схема запчастей Komatsu GH320-2 - ЭЛЕКТРИКА (ЛИНИЯ ПАНЕЛИ ПРИБОРОВ)(№-8) КОМПОНЕНТЫ ДВИГАТЕЛЯ И ЭЛЕКТРИКА
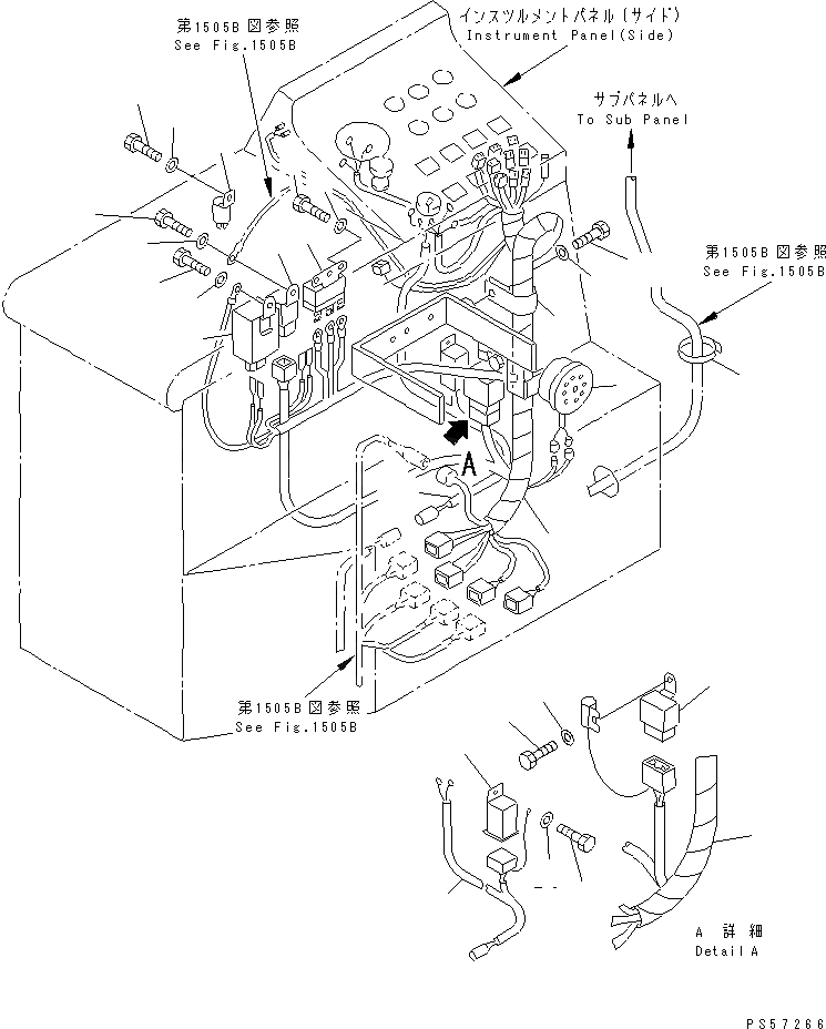
1
1
2
3
4
5
6
7
8
8
9
9
10
11
12
13
14
15
16
17
18
19
20
20
21
22
23
FIT
1:1
100%

Артикул

Название

Примечание

Количество

1

23F-06-11372

HARNESS

SN: 12001-12008

1шт.

2

232-06-61620

BUZZER

SN: 11001-@

1шт.

3

08163-02400

RELAY,HORN

SN: 11001-@

1шт.

4

01010-50612

BOLT

SN: 11001-@

2шт.

5

01643-30623

WASHER

SN: 11001-@

2шт.

6

287-06-16410

RELAY,OIL PRESSURE

SN: 11001-@

1шт.

7

287-06-16410

RELAY,CAUTION LAMP

SN: 11001-@

1шт.

8

01010-50612

BOLT

SN: 11001-@

2шт.

9

01643-30623

WASHER

SN: 11001-@

2шт.

10

08077-22400

FLASHER,WINKER

SN: 11002-12008

1шт.

11

01010-50612

BOLT

SN: 11001-@

1шт.

12

01643-30623

WASHER

SN: 11001-@

1шт.

13

234-06-31940

FLASHER,HAZARD

SN: 11001-12008

1шт.

14

01010-50812

BOLT

SN: 11001-12008

1шт.

15

01643-30823

WASHER

SN: 11001-12008

1шт.

16

08036-02514

CLIP

SN: 11001-@

1шт.

17

01010-51016

BOLT

SN: 11001-@

1шт.

18

01643-31032

WASHER

SN: 11001-@

1шт.

19

08034-00519

BAND

SN: 11002-@

1шт.

20

23E-06-11510

WIRE ASS'Y

SN: 11014-@

1шт.

21

569-06-61960

RELAY,ENGINE STOP

SN: 11014-@

1шт.

22

01010-50612

BOLT

SN: 11014-@

1шт.

23

01643-30623

WASHER

SN: 11014-@

1шт.

Выбрано товаров: 23