Запчасти Komatsu SA6D125E-2E-7 ТОПЛ. НАСОС (РЕГУЛЯТОР) (/) (ВНУТР. ЧАСТИ)(№8-) ДВИГАТЕЛЬ

Схема запчастей Komatsu SA6D125E-2E-7 - ТОПЛ. НАСОС (РЕГУЛЯТОР) (/) (ВНУТР. ЧАСТИ)(№8-) ДВИГАТЕЛЬ
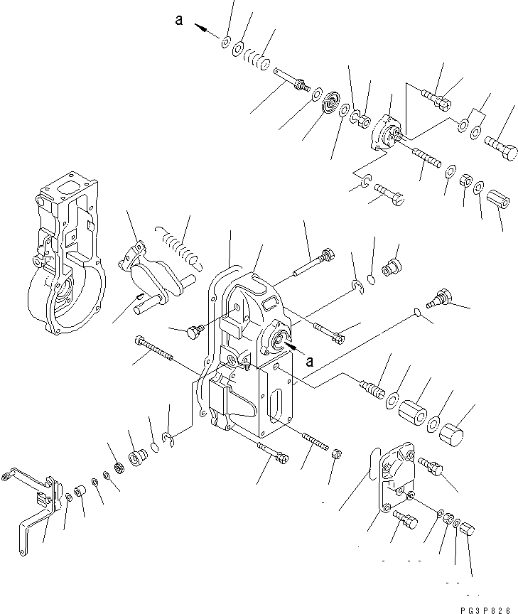
1
2
3
4
4
5
6
7
8
9
10
11
12
13
13
14
15
16
17
17
18
18
19
20
21
22
23
24
25
26
27
28
29
30
31
32
32
33
34
35
36
37
38
39
40
41
42
43
44
45
46
46
47
47
48
49
50
50
51
52
1
2
3
4
4
5
6
7
8
9
10
11
12
13
13
14
15
16
17
17
18
18
19
20
21
22
23
24
25
26
27
28
29
30
31
32
32
33
34
35
36
37
38
39
40
41
42
43
44
45
46
46
47
47
48
49
50
50
51
52
FIT
1:1
100%

Артикул

Название

Примечание

Количество

|1

6152-72-1520

INJECTION PUMP ASS'Y

SN: 65080-UP

1шт.

|$$2

THIS ASSEMBLY CONSISTS OF ALL PARTS SHOWN IN FIGS.A4010-B3L9 TO A4010-H3L9.

-1шт.

|1

DK105407-5881

GOVERNOR ASS'Y

SN: 65080-UP

1шт.

|$$4

THIS ASSEMBLY CONSISTS OF ALL PARTS SHOWN IN FIGS.A4010-D3L9 AND A4010-E3L9.

-1шт.

1

DK154022-6020

COVER

SN: 65080-UP

1шт.

2

DK154031-4800

SCREW

SN: 65080-UP

1шт.

3

DK139208-0400

NUT

SN: 65080-UP

1шт.

4

DK020106-5040

BOLT

SN: 65080-UP

6шт.

5

DK154010-0200

SCREW

SN: 65080-UP

1шт.

6

DK154011-0100

NUT

SN: 65080-UP

1шт.

7

DK154063-7300

COVER

SN: 65080-UP

1шт.

8

DK029020-6210

BOLT

SN: 65080-UP

2шт.

9

DK020006-1640

BOLT

SN: 65080-UP

2шт.

10

DK154150-6400

SPRING

SN: 65080-UP

1шт.

11

DK154158-1720

CAPSULE,SPRING

SN: 65080-UP

1шт.

12

DK029201-2140

NUT

SN: 65080-UP

1шт.

13

DK026512-1540

GASKET

SN: 65080-UP

2шт.

14

DK154159-1200

NUT,CAP

SN: 65080-UP

1шт.

15

DK154200-7020

LEVER ASS'Y,SWIVEL

SN: 65080-UP

1шт.

16

DK154204-3000

BUSHING

SN: 65080-UP

1шт.

17

DK139718-0200

O-RING

SN: 65080-UP

2шт.

18

DK016010-1640

RING,SNAP

SN: 65080-UP

2шт.

19

DK139611-0300

SEAL,OIL

SN: 65080-UP

1шт.

20

DK139411-0000

SHIM¤ 0.40MM

SN: 65080-UP

1шт.

21

DK029311-1090

SHIM¤ 0.30MM

SN: 65080-UP

-2шт.

22

DK154206-0200

WASHER¤ 1.0MM

SN: 65080-UP

-2шт.

23

DK025803-1310

KEY¤ 13MM

SN: 65080-UP

1шт.

24

DK154206-2800

COLLAR

SN: 65080-UP

1шт.

25

DK154237-1100

PIN

SN: 65080-UP

1шт.

26

DK154347-4920

LEVER

SN: 65080-UP

1шт.

27

DK154204-3100

BUSHING

SN: 65080-UP

1шт.

28

DK154390-0300

GASKET

SN: 65080-UP

1шт.

29

DK029635-2020

O-RING

SN: 65080-UP

1шт.

30

DK154400-7420

DIAPHRAGM

SN: 65080-UP

1шт.

31

DK154400-4800

ROD,PUSH

SN: 65080-UP

1шт.

32

DK029330-8050

GASKET

SN: 65080-UP

2шт.

33

DK139308-0700

WASHER,SPRING

SN: 65080-UP

1шт.

34

DK013030-6040

NUT

SN: 65080-UP

1шт.

35

DK026510-1440

GASKET

SN: 65080-UP

1шт.

36

DK154401-2100

BOLT

SN: 65080-UP

1шт.

37

DK154411-9000

SPRING

SN: 65080-UP

1шт.

38

DK154404-5000

COVER

SN: 65080-UP

1шт.

39

DK020106-2540

BOLT

SN: 65080-UP

2шт.

40

DK154034-1900

SCREW

SN: 65080-UP

1шт.

41

DK023040-6040

NUT

SN: 65080-UP

1шт.

42

DK029731-0180

BOLT

SN: 65080-UP

1шт.

43

DK026510-1340

GASKET

SN: 65080-UP

2шт.

44

DK029312-0210

SHIM¤ 0.2MM

SN: 65080-UP

-2шт.

|44

DK029312-0180

SHIM¤ 0.5MM

SN: 65080-UP

-2шт.

45

DK154035-0320

NUT,CAP

SN: 65080-UP

1шт.

46

DK014110-6440

WASHER,SPRING

SN: 65080-UP

3шт.

47

DK154413-2600

GASKET

SN: 65080-UP

2шт.

48

DK154036-0300

PLUG

SN: 65080-UP

1шт.

49

DK029010-6310

BOLT

SN: 65080-UP

1шт.

50

DK026508-1140

GASKET

SN: 65080-UP

2шт.

51

DK154035-2000

NUT

SN: 65080-UP

1шт.

52

DK029310-9080

SHIM

SN: 65080-UP

2шт.

|1

6152-72-1520

INJECTION PUMP ASS'Y

SN: 65080-UP

1шт.

|$$2

THIS ASSEMBLY CONSISTS OF ALL PARTS SHOWN IN FIGS.A4010-B3L9 TO A4010-H3L9.

-1шт.

|1

DK105407-5881

GOVERNOR ASS'Y

SN: 65080-UP

1шт.

|$$4

THIS ASSEMBLY CONSISTS OF ALL PARTS SHOWN IN FIGS.A4010-D3L9 AND A4010-E3L9.

-1шт.

1

DK154022-6020

COVER

SN: 65080-UP

1шт.

2

DK154031-4800

SCREW

SN: 65080-UP

1шт.

3

DK139208-0400

NUT

SN: 65080-UP

1шт.

4

DK020106-5040

BOLT

SN: 65080-UP

6шт.

5

DK154010-0200

SCREW

SN: 65080-UP

1шт.

6

DK154011-0100

NUT

SN: 65080-UP

1шт.

7

DK154063-7300

COVER

SN: 65080-UP

1шт.

8

DK029020-6210

BOLT

SN: 65080-UP

2шт.

9

DK020006-1640

BOLT

SN: 65080-UP

2шт.

10

DK154150-6400

SPRING

SN: 65080-UP

1шт.

11

DK154158-1720

CAPSULE,SPRING

SN: 65080-UP

1шт.

12

DK029201-2140

NUT

SN: 65080-UP

1шт.

13

DK026512-1540

GASKET

SN: 65080-UP

2шт.

14

DK154159-1200

NUT,CAP

SN: 65080-UP

1шт.

15

DK154200-7020

LEVER ASS'Y,SWIVEL

SN: 65080-UP

1шт.

16

DK154204-3000

BUSHING

SN: 65080-UP

1шт.

17

DK139718-0200

O-RING

SN: 65080-UP

2шт.

18

DK016010-1640

RING,SNAP

SN: 65080-UP

2шт.

19

DK139611-0300

SEAL,OIL

SN: 65080-UP

1шт.

20

DK139411-0000

SHIM¤ 0.40MM

SN: 65080-UP

1шт.

21

DK029311-1090

SHIM¤ 0.30MM

SN: 65080-UP

-2шт.

22

DK154206-0200

WASHER¤ 1.0MM

SN: 65080-UP

-2шт.

23

DK025803-1310

KEY¤ 13MM

SN: 65080-UP

1шт.

24

DK154206-2800

COLLAR

SN: 65080-UP

1шт.

25

DK154237-1100

PIN

SN: 65080-UP

1шт.

26

DK154347-4920

LEVER

SN: 65080-UP

1шт.

27

DK154204-3100

BUSHING

SN: 65080-UP

1шт.

28

DK154390-0300

GASKET

SN: 65080-UP

1шт.

29

DK029635-2020

O-RING

SN: 65080-UP

1шт.

30

DK154400-7420

DIAPHRAGM

SN: 65080-UP

1шт.

31

DK154400-4800

ROD,PUSH

SN: 65080-UP

1шт.

32

DK029330-8050

GASKET

SN: 65080-UP

2шт.

33

DK139308-0700

WASHER,SPRING

SN: 65080-UP

1шт.

34

DK013030-6040

NUT

SN: 65080-UP

1шт.

35

DK026510-1440

GASKET

SN: 65080-UP

1шт.

36

DK154401-2100

BOLT

SN: 65080-UP

1шт.

37

DK154411-9000

SPRING

SN: 65080-UP

1шт.

38

DK154404-5000

COVER

SN: 65080-UP

1шт.

39

DK020106-2540

BOLT

SN: 65080-UP

2шт.

40

DK154034-1900

SCREW

SN: 65080-UP

1шт.

41

DK023040-6040

NUT

SN: 65080-UP

1шт.

42

DK029731-0180

BOLT

SN: 65080-UP

1шт.

43

DK026510-1340

GASKET

SN: 65080-UP

2шт.

44

DK029312-0210

SHIM¤ 0.2MM

SN: 65080-UP

-2шт.

|44

DK029312-0180

SHIM¤ 0.5MM

SN: 65080-UP

-2шт.

45

DK154035-0320

NUT,CAP

SN: 65080-UP

1шт.

46

DK014110-6440

WASHER,SPRING

SN: 65080-UP

3шт.

47

DK154413-2600

GASKET

SN: 65080-UP

2шт.

48

DK154036-0300

PLUG

SN: 65080-UP

1шт.

49

DK029010-6310

BOLT

SN: 65080-UP

1шт.

50

DK026508-1140

GASKET

SN: 65080-UP

2шт.

51

DK154035-2000

NUT

SN: 65080-UP

1шт.

52

DK029310-9080

SHIM

SN: 65080-UP

2шт.

Выбрано товаров: 114