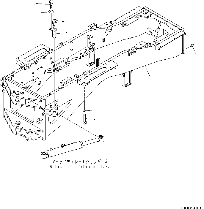
Запчасти Komatsu GH320-3 ЗАДН. РАМА И ПАЛЕЦ РАМА И КОМПОНЕНТЫ

Схема запчастей Komatsu GH320-3 - ЗАДН. РАМА И ПАЛЕЦ РАМА И КОМПОНЕНТЫ
1
2
3
4
5
6
7
8
FIT
1:1
100%

Артикул

Название

Примечание

Количество

1

23C-46-52200

FRAME,REAR

SN: 40001-UP

1шт.

2

421-46-21760

PIN

SN: 40001-UP

2шт.

3

175-54-34170

WASHER

SN: 40001-UP

2шт.

4

01010-81220

BOLT

SN: 40001-UP

2шт.

5

07020-00675

FITTING,GREASE

SN: 40001-UP

2шт.

6

01011-63060

BOLT

SN: 40001-UP

8шт.

7

01643-33080

WASHER

SN: 40001-UP

8шт.

8

07049-03038

PLUG

SN: 40001-UP

12шт.

Выбрано товаров: 8