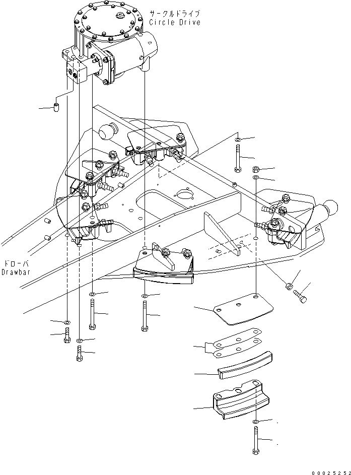
Запчасти Komatsu GH320-3 СЦЕПНОЕ УСТРОЙСТВО И CIRCLE КРЕПЛЕНИЕ РАБОЧЕЕ ОБОРУДОВАНИЕ

Схема запчастей Komatsu GH320-3 - СЦЕПНОЕ УСТРОЙСТВО И CIRCLE КРЕПЛЕНИЕ РАБОЧЕЕ ОБОРУДОВАНИЕ
1
2
3
4
5
6
6
7
8
9
10
11
12
13
13
14
15
16
16
17
17
FIT
1:1
100%

Артикул

Название

Примечание

Количество

1

23C-70-51230

GUIDE

SN: 40001-UP

6шт.

2

23C-70-51240

GUIDE

SN: 40001-UP

6шт.

3

23C-70-51250

PLATE

SN: 40001-UP

6шт.

4

23C-70-51260

SHIM

SN: 40001-UP

48шт.

5

01011-82455

BOLT

SN: 40001-UP

14шт.

6

01643-32460

WASHER

SN: 40001-UP

28шт.

7

01580-12419

NUT

SN: 40001-UP

14шт.

8

01011-82445

BOLT

SN: 40001-UP

2шт.

9

01643-32460

WASHER

SN: 40001-UP

2шт.

10

01016-52480

BOLT

SN: 40001-UP

12шт.

11

01580-12419

NUT

SN: 40001-UP

12шт.

12

01010-82460

BOLT

SN: 40001-UP

3шт.

13

01643-32460

WASHER

SN: 40001-UP

4шт.

14

232-71-13150

PIN

SN: 40001-UP

2шт.

15

01010-82465

BOLT

SN: 40001-UP

1шт.

16

01011-82475

BOLT

SN: 40001-UP

2шт.

17

01643-32460

WASHER

SN: 40001-UP

2шт.

Выбрано товаров: 17