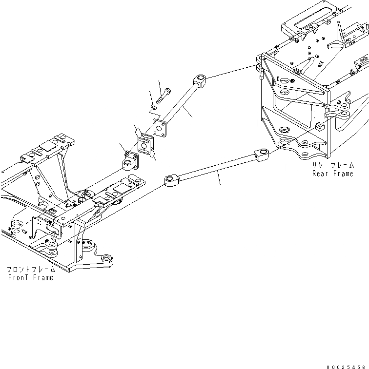
Запчасти Komatsu GH320-3 СОЧЛ. СОЕД. БЛОКИР. BAR РАБОЧЕЕ ОБОРУДОВАНИЕ

Схема запчастей Komatsu GH320-3 - СОЧЛ. СОЕД. БЛОКИР. BAR РАБОЧЕЕ ОБОРУДОВАНИЕ
1
2
3
4
5
6
6
FIT
1:1
100%

Артикул

Название

Примечание

Количество

1

23C-46-51551

BOSS,R.H.

SN: 40001-UP

1шт.

|1

07143-10506

BUSHING

SN: 40001-UP

1шт.

2

23C-46-51561

ROD,R.H.

SN: 40001-UP

1шт.

|2

07143-10506

BUSHING

SN: 40001-UP

1шт.

3

23C-46-51581

ROD,L.H.

SN: 40001-UP

1шт.

|3

07143-10506

BUSHING

SN: 40001-UP

2шт.

4

01643-32060

WASHER

SN: 40001-UP

4шт.

5

01010-82080

BOLT

SN: 40001-UP

4шт.

6

23C-46-51570

SHIM¤ 1.2MM

SN: 40001-UP

5шт.

Выбрано товаров: 9