Запчасти Komatsu GH320-3 ТРАНСМИССИЯ (АКСЕССУАРЫ) ТРАНСМИССИЯ

Схема запчастей Komatsu GH320-3 - ТРАНСМИССИЯ (АКСЕССУАРЫ) ТРАНСМИССИЯ
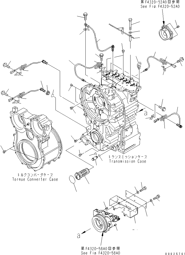
1
2
3
4
5
6
7
8
9
9
10
10
11
12
13
14
14
14
14
14
15
15
15
15
15
15
16
16
17
18
18
18
18
18
18
19
19
19
19
19
19
20
21
22
23
24
25
26
FIT
1:1
100%

Артикул

Название

Примечание

Количество

|1

23C-13-50000

TRANSMISSION ASS'Y

SN: 40001-UP

1шт.

|$$2

THIS ASSEMBLY CONSISTS OF ALL PARTS SHOWN IN FIGS.F4320-51A0 TO F4320-69A0.

-1шт.

1

419-15-18241

PLUG

SN: 40001-UP

1шт.

2

419-15-18251

RING

SN: 40001-UP

1шт.

3

07002-12434

O-RING (K1)

SN: 40001-UP

1шт.

4

56D-15-19310

STRAINER

SN: 40001-UP

1шт.

5

07000-15085

O-RING (K1)

SN: 40001-UP

1шт.

6

56D-15-15861

COVER

SN: 40001-UP

1шт.

7

01011-81000

BOLT

SN: 40001-UP

2шт.

8

01643-31032

WASHER

SN: 40001-UP

2шт.

9

7861-93-2330

SENSOR

SN: 40001-UP

3шт.

10

7861-93-3320

SENSOR

SN: 40001-UP

2шт.

|11

23C-15-54900

SENSOR ASS'Y

SN: 40001-UP

1шт.

11

7861-93-2330

SENSOR

SN: 40001-UP

1шт.

12

23C-15-54910

ADAPTER

SN: 40001-UP

1шт.

13

07002-63634

O-RING (K1)

SN: 40001-UP

1шт.

14

08034-20414

BAND

SN: 40001-UP

4шт.

15

07049-01215

PLUG

SN: 40001-UP

9шт.

16

07049-01012

PLUG

SN: 40001-UP

4шт.

17

07049-01620

PLUG

SN: 40001-UP

8шт.

18

08193-20010

CLIP

SN: 40001-UP

6шт.

19

01435-01016

BOLT

SN: 40001-UP

6шт.

20

04530-12030

BOLT

SN: 40001-UP

4шт.

21

23C-15-55811

COVER

SN: 40001-UP

1шт.

22

23C-15-55820

COVER

SN: 40001-UP

1шт.

23

01010-81020

BOLT

SN: 40001-UP

3шт.

24

01643-31032

WASHER

SN: 40001-UP

3шт.

25

01010-80816

BOLT

SN: 40001-UP

5шт.

26

01643-30823

WASHER

SN: 40001-UP

5шт.

Выбрано товаров: 29