Запчасти Komatsu GH320-3 ГИДР. БАК. (АКСЕССУАРЫ) ГИДРАВЛИКА

Схема запчастей Komatsu GH320-3 - ГИДР. БАК. (АКСЕССУАРЫ) ГИДРАВЛИКА
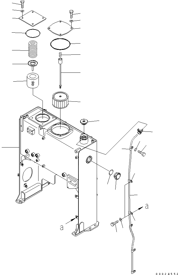
1
2
3
4
5
5
5
6
6
7
7
8
9
10
11
12
13
14
15
16
17
18
19
20
21
22
23
FIT
1:1
100%

Артикул

Название

Примечание

Количество

1

23C-60-51113

TANK

SN: 40001-UP

1шт.

2

201-60-12190

CAP ASS'Y

SN: 40001-UP

1шт.

3

07270-60817

TUBE

SN: 40001-UP

1шт.

4

07280-01110

CLAMP

SN: 40001-UP

1шт.

5

04434-51010

CLIP

SN: 40001-UP

3шт.

6

01010-81016

BOLT

SN: 40001-UP

3шт.

7

01643-31032

WASHER

SN: 40001-UP

3шт.

8

421-60-11622

GAUGE,SIGHT

SN: 40001-UP

1шт.

9

07002-15234

O-RING

SN: 40001-UP

1шт.

10

23C-60-51160

COVER

SN: 40001-UP

1шт.

11

07000-12135

O-RING

SN: 40001-UP

1шт.

12

01010-81225

BOLT

SN: 40001-UP

4шт.

13

01643-31232

WASHER

SN: 40001-UP

4шт.

14

20X-60-22140

SPRING

SN: 40001-UP

1шт.

15

21W-60-41170

VALVE ASS'Y

SN: 40001-UP

1шт.

16

21W-60-41121

ELEMENT

SN: 40001-UP

1шт.

17

23C-60-51141

ROD

SN: 40001-UP

1шт.

|17

01580-01008

NUT

SN: 40001-UP

1шт.

18

12R-60-11230

SPRING

SN: 40001-UP

1шт.

19

20Y-60-21311

STRAINER

SN: 40001-UP

1шт.

20

23C-60-51150

COVER

SN: 40001-UP

1шт.

21

07000-15180

O-RING

SN: 40001-UP

1шт.

22

01010-81225

BOLT

SN: 40001-UP

4шт.

23

01643-31232

WASHER

SN: 40001-UP

4шт.

Выбрано товаров: 24