Запчасти Komatsu 445FXL-1 K7-A КОНДИЦ. ВОЗДУХА КОМПРЕССОР ШЛАНГИ КРЕПЛЕНИЕ OPERATORXD S ОБСТАНОВКА И СИСТЕМА УПРАВЛЕНИЯ

Схема запчастей Komatsu 445FXL-1 - K7-A КОНДИЦ. ВОЗДУХА КОМПРЕССОР ШЛАНГИ КРЕПЛЕНИЕ OPERATORXD S ОБСТАНОВКА И СИСТЕМА УПРАВЛЕНИЯ
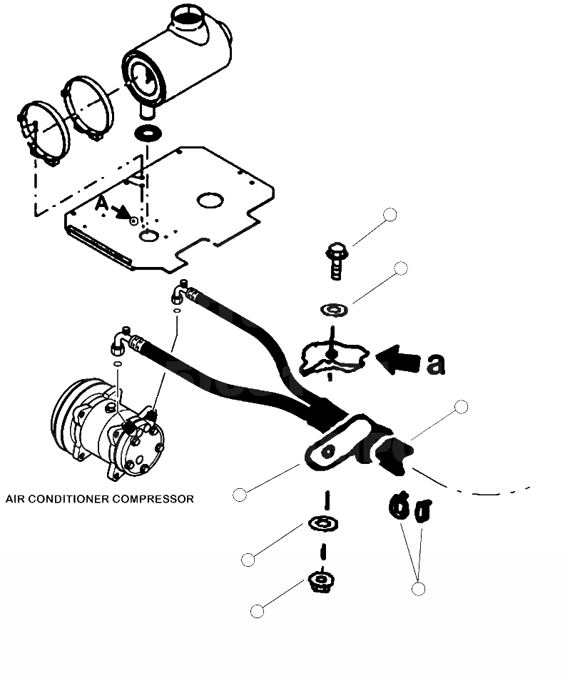
1
2
6
3
2
5
4
FIT
1:1
100%

Артикул

Название

Примечание

Количество

1

11707KF

BOLT (3/8 IN x 1 IN)

SN: A10001--UP

1шт.

2

15528KF

WASHER, SAE FLAT (3/8 IN)

SN: A10001--UP

2шт.

3

26010KF

CLIP, HOSE (2-1/4 IN)

SN: A10001--UP

1шт.

4

10813KF

NUT, LOCK (3/8 IN)

SN: A10001--UP

1шт.

5

08034-20536

BAND

SN: A10001--UP

2шт.

6

HOSE ( SEE FIG. K0710-02A0 )

SN: A10001--UP

-1шт.

Выбрано товаров: 6