Запчасти Komatsu 445FXL-1 T-A ОСНОВН. ЦИЛИНДР СТРЕЛЫКРЕПЛЕНИЕ РАБОЧЕЕ ОБОРУДОВАНИЕ

Схема запчастей Komatsu 445FXL-1 - T-A ОСНОВН. ЦИЛИНДР СТРЕЛЫКРЕПЛЕНИЕ РАБОЧЕЕ ОБОРУДОВАНИЕ
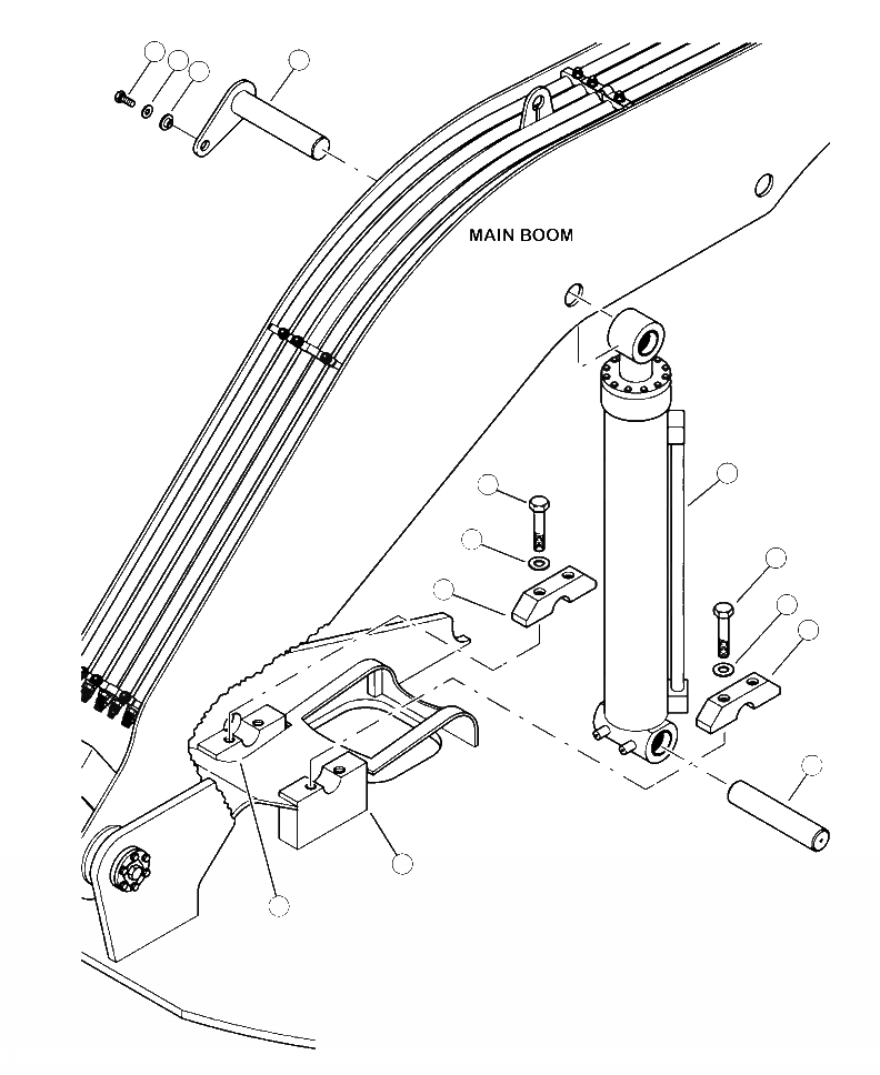
1
4
2
3
5
12
13
8
10
9
6
14
7
11
FIT
1:1
100%

Артикул

Название

Примечание

Количество

1

15549KF

BOLT (3/4 IN x 2 IN)

SN: A10001--UP

1шт.

2

15550KF

WASHER, SAE FLAT (3/4 IN)

SN: A10001--UP

1шт.

3

18570KF

BUSHING, PIN RETAINING

SN: A10001--UP

1шт.

4

81613KF

PIN (3 x 15.25 LG)

SN: A10001--UP

1шт.

5

CYLINDER, MAIN BOOM ( SEE FIG. T0050- 01A0 )

SN: A10001--UP

-1шт.

|$5

4A1-46-10550

BLOCK, RIGHT PIN RETAINER

SN: A10001--UP

1шт.

6

NSS

BLOCK, TOP RIGHT

SN: A10001--UP

1шт.

7

NSS

BLOCK, BOTTOM RIGHT

SN: A10001--UP

1шт.

8

15543KF

BOLT

SN: A10001--UP

2шт.

9

15544KF

WASHER

SN: A10001--UP

2шт.

N/I

NSS

PLATE, BACKUP

SN: A10001--UP

1шт.

|$11

4A1-46-10570

BLOCK, LEFT PIN RETAINER

SN: A10001--UP

1шт.

10

NSS

BLOCK, LEFT TOP

SN: A10001--UP

1шт.

11

NSS

BLOCK, LEFT BOTTOM

SN: A10001--UP

1шт.

12

15543KF

BOLT

SN: A10001--UP

2шт.

13

15544KF

WASHER

SN: A10001--UP

2шт.

N/I

NSS

PLATE, BACKUP

SN: A10001--UP

1шт.

14

81600KF

PIN (3 IN x 14-1/2 IN)

SN: A10001--UP

1шт.

Выбрано товаров: 18