Запчасти Komatsu 450FXL-1 H-A ВСПОМОГ. НАСОС COMPENSATOR И GAUGE ЛИНИИ ГИДРАВЛИКА

Схема запчастей Komatsu 450FXL-1 - H-A ВСПОМОГ. НАСОС COMPENSATOR И GAUGE ЛИНИИ ГИДРАВЛИКА
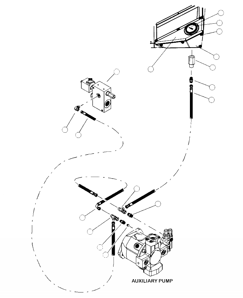
1
8
6
7
2
5
16
3
4
15
14
10
9
11
10
12
13
FIT
1:1
100%

Артикул

Название

Примечание

Количество

1

4A1-62-10450

GAUGE, PANEL MOUNTED PRESSURE

SN: A10001--UP

1шт.

2

83549KF

GAUGE, SNUBBER

SN: A10001--UP

1шт.

3

4A1-62-10120

CONNECTOR, STRAIGHT (FF2031T-0404S)

SN: A10001--UP

1шт.

N/I

15438KF

O-RING

SN: A10001--UP

1шт.

4

4A1-62-10010

HOSE ASSEMBLY, DISC SAW GAUGE

SN: A10001--UP

1шт.

N/I

15604KF

BOLT (1/4 IN x 3/4 IN)

SN: A10001--UP

1шт.

N/I

10756KF

WASHER, LOCK (1/4 IN)

SN: A10001--UP

1шт.

5

4A1-54-10460

COVER, GAUGE TOP PANEL

SN: A10001--UP

1шт.

6

16213KF

SCREW

SN: A10001--UP

4шт.

7

4A1-54-10470

COVER, GAUGE SIDE PANEL

SN: A10001--UP

1шт.

8

4A1-54-10480

SCREW

SN: A10001--UP

3шт.

9

16541KF

CONNECTOR, STR (FF1852T-0404S)

SN: A10001--UP

1шт.

10

15176KF

TEE (FF2114T-0404S)

SN: A10001--UP

2шт.

11

16613KF

HOSE ASSEMBLY (2016-04-040S-0409)

SN: A10001--UP

1шт.

12

22757KF

CONNECTOR, STRAIGHT (WITH 0.040 ORIFICE)

SN: A10001--UP

1шт.

13

17253

PLUG (0.040 IN)

SN: A10001--UP

1шт.

14

28532KF

HOSE ASSEMBLY (2030-04-040S-040S)

SN: A10001--UP

1шт.

15

16540KF

ELBOW, 90 DEGREE (FF2068T-05808S)

SN: A10001--UP

1шт.

16

VALVE, STOP SAW ( SEE FIG. H5100-01A0 )

SN: A10001--UP

-1шт.

Выбрано товаров: 0