Запчасти Komatsu 450FXL-1 K77-A ЛИНИЯ ОБОГРЕВАТЕЛЯS БЕЗ КАБИНЫ ПОЛ ОБОГРЕВАТЕЛЬ. OPERATORXD S ОБСТАНОВКА И СИСТЕМА УПРАВЛЕНИЯ

Схема запчастей Komatsu 450FXL-1 - K77-A ЛИНИЯ ОБОГРЕВАТЕЛЯS БЕЗ КАБИНЫ ПОЛ ОБОГРЕВАТЕЛЬ. OPERATORXD S ОБСТАНОВКА И СИСТЕМА УПРАВЛЕНИЯ
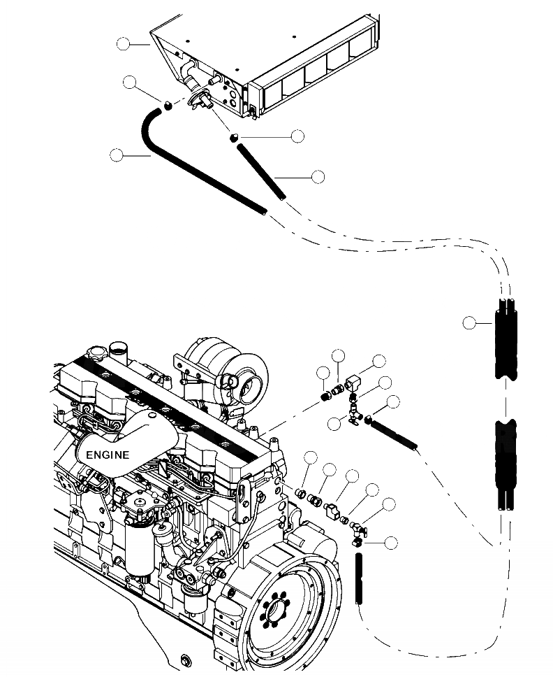
1
2
2
3
3
4
9
7
8
6
2
5
8
9
7
6
5
2
FIT
1:1
100%

Артикул

Название

Примечание

Количество

1

AIR CONDITIONER/HEATER ( SEE FIG. K0700- 01A0 )

SN: A10001--UP

-1шт.

2

07281-00359

CLAMP, WORM STYLE HOSE (1-1/2 IN)

SN: A10001--UP

4шт.

3

15627KF

HOSE, HEATER (5/8 IN x 182 IN)

SN: A10001--UP

2шт.

4

17572

SLEEVE, PROTECTIVE HOSE WRAP (2-1/4 IN)

SN: A10001--UP

1шт.

5

15631KF

VALVE, SHUT OFF

SN: A10001--UP

2шт.

6

15630KF

BUSHING, REDUCER (5406-8-6)

SN: A10001--UP

2шт.

7

27816KF

TEE, BRASS (1/2 IN)

SN: A10001--UP

2шт.

8

15513KF

BUSHING, REDUCER (5406-12-8)

SN: A10001--UP

2шт.

9

11322KF

ADAPTER (STR 5404-8)

SN: A10001--UP

2шт.

Выбрано товаров: 0