Запчасти Komatsu 450FXL-1 R-A ГУСЕНИЧНАЯ РАМА НИЖН.CARRIAGE

Схема запчастей Komatsu 450FXL-1 - R-A ГУСЕНИЧНАЯ РАМА НИЖН.CARRIAGE
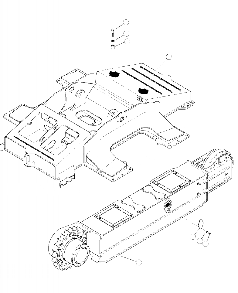
1
2
3
5
6
7
4
8
FIT
1:1
100%

Артикул

Название

Примечание

Количество

1

01011-83690

BOLT

SN: A10001--UP

28шт.

2

01643-33690

WASHER

SN: A10001--UP

28шт.

3

81072KF

SPACER

SN: A10001--UP

28шт.

4

208-31-11113

FRAME, L.H. TRACK

SN: A10001--UP

1шт.

|$10

OR

4

-1шт.

4

208-31-11123

FRAME, R.H. TRACK

SN: A10001--UP

1шт.

5

82932KF

COVER, GREASE CYLINDER

SN: A10001--UP

2шт.

6

01643-31232

WASHER

SN: A10001--UP

4шт.

7

01010-81240

BOLT

SN: A10001--UP

4шт.

8

82052KF

FRAME, CENTER

SN: A10001--UP

1шт.

Выбрано товаров: 0