Запчасти Komatsu 450FXL-1 E-A DASH ПАНЕЛЬ КРЕПЛЕНИЕ ЭЛЕКТРИКА

Схема запчастей Komatsu 450FXL-1 - E-A DASH ПАНЕЛЬ КРЕПЛЕНИЕ ЭЛЕКТРИКА
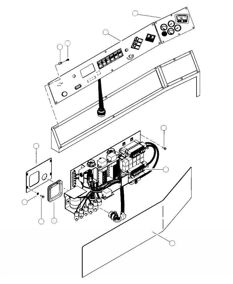
11
1
10
9
2
8
3
5
7
4
6
FIT
1:1
100%

Артикул

Название

Примечание

Количество

|$0

4A1-06-10870

PANEL ASSEMBLY, DASH SWITCH

SN: A10001--UP

1шт.

1

4A1-06-10041

PANEL ASSEMBLY, DASH

SN: A10001--UP

1шт.

N/I

4A1-06-10180

SWITCH

SN: A10001--UP

1шт.

N/I

4A1-06-10170

LENS

SN: A10001--UP

1шт.

N/I

4A1-06-10050

HARNESS, DASH SWITCH PANEL WIRING

SN: A10001--UP

1шт.

N/I

08034-00310

BAND

SN: A10001--UP

6шт.

2

15575KF

BOLT (1/2 IN x 1-1/2 IN)

SN: A10001--UP

4шт.

3

ELECTRICAL CENTER, MAIN ( SEE FIG. E1000- 01A0 )

SN: A10001--UP

-1шт.

4

15604KF

BOLT (1/4 IN x 3/4 IN)

SN: A10001--UP

4шт.

5

10757KF

WASHER, SAE FLAT (1/4 IN)

SN: A10001--UP

4шт.

6

27492KF

CURTAIN, DASH WIRING COVER VINYL

SN: A10001--UP

1шт.

7

21924013KF

CHANNEL, EDGE PROTECTOR

SN: A10001--UP

1шт.

8

21531KF

PANEL, BULKHEAD ELECTRICAL

SN: A10001--UP

1шт.

9

16212KF

NUT

SN: A10001--UP

12шт.

10

16213KF

SCREW

SN: A10001--UP

12шт.

11

26541KF

PANEL, DASH GAUGE

SN: A10001--UP

1шт.

Выбрано товаров: 16