Запчасти Komatsu 430FXL-1 H-A ГУСЕНИЦЫ ПРИВОД НАСОС ЗАДН. PORT БЛОК ГИДРАВЛИКА

Схема запчастей Komatsu 430FXL-1 - H-A ГУСЕНИЦЫ ПРИВОД НАСОС ЗАДН. PORT БЛОК ГИДРАВЛИКА
4
8
5
6
7
3
9
10
2
1
11
12
12
14
7
13
12
6
5
4
FIT
1:1
100%

Артикул

Название

Примечание

Количество

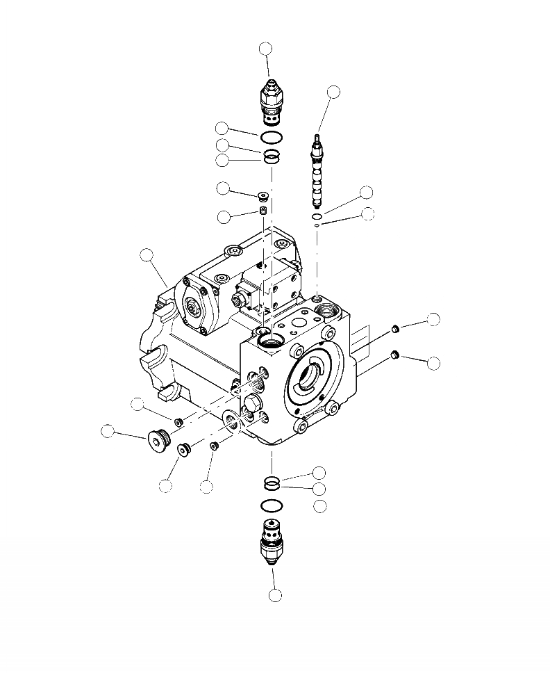
1

PUMP, TRACK DRIVE ( SEE FIG. H0242-01A0 )

-1шт.

2

21589

PLUG, ORIFICE

1шт.

3

20317

PLUG (12 MM - 1.5P)

1шт.

4

15880

CARTRIDGE, HIGH PRESSURE RELIEF VALVE

2шт.

5

21602

O-RING, HPRV CARTRIDGE

1шт.

6

21603

RING

1шт.

7

20336

O-RING

1шт.

8

17791

CARTRIDGE, PORT RELIEF VALVE

1шт.

9

20337

O-RING

1шт.

10

21604

O-RING

1шт.

11

20339

PLUG

4шт.

12

11383KF

PLUG (6408-HHP-4)

3шт.

N/I

20319

O-RING (ORB 4)

1шт.

13

18949KF

PLUG (6408-HHP-8)

1шт.

N/I

20321

O-RING (ORB 8)

1шт.

14

20333

PLUG (33 MM - 2.0P)

1шт.

|$16

18914

SEAL KIT, COMPLETE REPAIR

1шт.

|$17

17

-1шт.

|$18

F1 - SERVICE PART INCLUDED IN THIS KIT:

18

-1шт.

Выбрано товаров: 19