Качественные детали и логистика
Оригинальные и аналоговые запчасти с доставкой по России, Казахстану и Беларуси
©2022 PartSell ООО "Система" ИНН 2463123282 ОГРН 1212400004838
Центральный офис: г. Красноярск, Академика Киренского, д.87, пом.4
Телефон: 8 (800) 777-65-74 Email: zakaz@partsell.ru
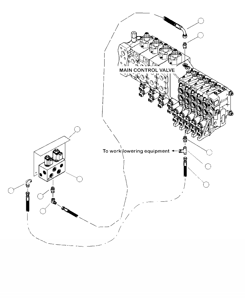
H-A ГИДРОЛИНИЯ КЛАПАН ВОЗВРАТНАЯ ЛИНИЯ - ДВОЙН. ПОТОК ГИДРАВЛS
№
Артикул
Название
Примечание
Количество
1
15124KF
CONNECTOR, STR (FF1852T-0406S)
1шт.
2
18860KF
HOSE ASSEMBLY (2043-04-040S)
3
15133KF
ELBOW, 90 DEGREE (FF1868T-0406S)
4
MANIFOLD, PILOT PRESSURE ( SEE FIG. H0318-01A0 )
-1шт.
5
GUARD, PILOT PRESSURE MANIFOLD ( SEE FIG. H1035-01A0 )
6
15176KF
TEE (FF2114T-0404S)
7
15274KF
HOSE (2042-04-040S-0409)
8
15145KF
ELBOW, 90 DEGREE SWIVEL (FF2098T-0404S)
9
CONNECTOR, STRAIGHT (FF1852T-0406S)
2шт.
Выбрано товаров: 0