Запчасти Komatsu 430FXL-1 K7-A КОНДИЦ. ВОЗДУХА КОМПРЕССОР И КРЕПЛЕНИЕ OPERATORXD S ОБСТАНОВКА И СИСТЕМА УПРАВЛЕНИЯ

Схема запчастей Komatsu 430FXL-1 - K7-A КОНДИЦ. ВОЗДУХА КОМПРЕССОР И КРЕПЛЕНИЕ OPERATORXD S ОБСТАНОВКА И СИСТЕМА УПРАВЛЕНИЯ
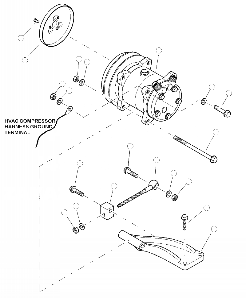
13
11
3
12
4
16
15
15
14
10
6
5
6
4
3
7
8
2
9
1
FIT
1:1
100%

Артикул

Название

Примечание

Количество

1

24607

BRACKET, COMPRESSOR MOUNTING

1шт.

2

24605

BOLT (10 MM x 1.5P x 39 MM)

4шт.

3

15530KF

NUT (10 MM - 1.5P)

8шт.

4

15528KF

WASHER, SAE FLAT (3/8 IN)

7шт.

5

24608

SCREW, COMPRESSOR ADJUSTMENT

1шт.

6

24609

BOLT (10 MM - 1.5P x 50 MM)

2шт.

7

24606

BLOCK, ADJUSTMENT

1шт.

8

18735KF

WASHER, FLAT (12 MM)

1шт.

9

955784

NUT, HEX (12 MM-1.75P)

1шт.

10

24604

BOLT (10 MM - 1.5P x 125 MM)

1шт.

11

23278KF

COMPRESSOR, 24V AIR CONDITIONER

1шт.

12

16796KF

COVER, COMPRESSOR DUST

1шт.

13

NSS

BOLT

3шт.

14

01010-81035

BOLT

1шт.

15

01643-31032

WASHER

2шт.

16

01580-11008

NUT

1шт.

N/I

04434-51010

CLIP

1шт.

N/I

26499KF

DECAL, R-134A WARNING

1шт.

Выбрано товаров: 0