Запчасти Komatsu 430FXL-1 E-A DASH ПАНЕЛЬ КРЕПЛЕНИЕ ЭЛЕКТРИКА

Схема запчастей Komatsu 430FXL-1 - E-A DASH ПАНЕЛЬ КРЕПЛЕНИЕ ЭЛЕКТРИКА
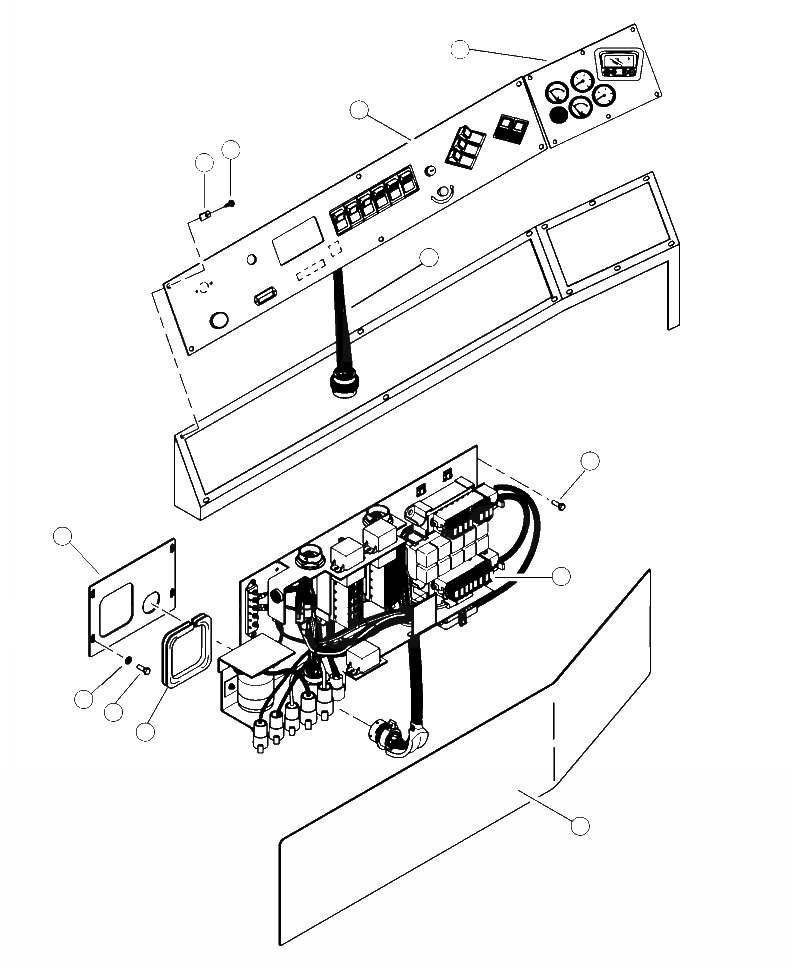
12
1
11
10
2
3
9
4
6
5
8
7
FIT
1:1
100%

Артикул

Название

Примечание

Количество

|$0

4A1-06-10870

PANEL ASSEMBLY, SWITCH DASH

1шт.

1

NSS

PANEL, SWITCH DASH

1шт.

2

4A1-06-10050

HARNESS, SWITCH DASH PANEL WIRING

1шт.

N/I

08034-00310

BAND

6шт.

3

15575KF

BOLT (1/2 IN x 1-1/2 IN)

4шт.

4

LOAD CENTER, MAIN ELECTRICAL ( SEE FIG. E1000-01A0 )

-1шт.

5

15604KF

BOLT (1/4 IN x 3/4 IN)

4шт.

6

10757KF

WASHER, SAE FLAT (1/4 IN)

4шт.

7

27492KF

CURTAIN, DASH WIRING COVER VINYL

1шт.

8

21924013KF

CHANNEL, EDGE PROTECTOR

1шт.

9

21531KF

PANEL, BULKHEAD ELECTRICAL

1шт.

10

16212KF

NUT

12шт.

11

16213KF

SCREW

12шт.

12

PANEL, GAUGE DASH ( SEE FIG. E1015-01A0 )

-1шт.

Выбрано товаров: 0