Качественные детали и логистика
Оригинальные и аналоговые запчасти с доставкой по России, Казахстану и Беларуси
©2022 PartSell ООО "Система" ИНН 2463123282 ОГРН 1212400004838
Центральный офис: г. Красноярск, Академика Киренского, д.87, пом.4
Телефон: 8 (800) 777-65-74 Email: zakaz@partsell.ru
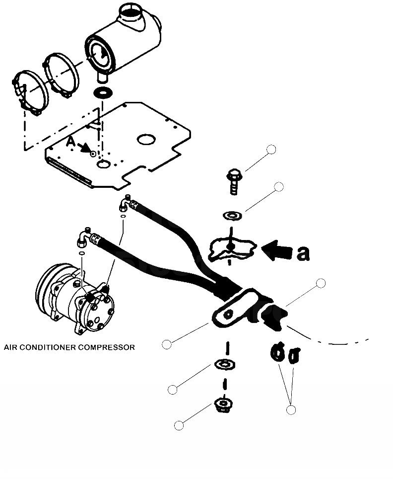
K7-A КОНДИЦ. ВОЗДУХА КОМПРЕССОР ШЛАНГИ КРЕПЛЕНИЕ
№
Артикул
Название
Примечание
Количество
1
11707KF
BOLT (3/8 IN x 1 IN)
1шт.
2
15528KF
WASHER, SAE FLAT (3/8 IN)
2шт.
3
26010KF
CLIP, HOSE (2-1/4 IN)
4
10813KF
NUT, LOCK (3/8 IN)
5
08034-20536
BAND
6
HOSE ( SEE FIG. K0710-02A0 )
-1шт.
Выбрано товаров: 0