Запчасти Komatsu 430FX-1 P-A ГУСЕНИЦЫ ПРИВОД ТРУБЫ ОТСЕК ДВИГАТЕЛЯTO ПРАВ. КОНЕЧНАЯ ПЕРЕДАЧА МОТОР НИЖНЯЯ ГИДРОЛИНИЯ И ЛИНИЯ ХОДА

Схема запчастей Komatsu 430FX-1 - P-A ГУСЕНИЦЫ ПРИВОД ТРУБЫ ОТСЕК ДВИГАТЕЛЯTO ПРАВ. КОНЕЧНАЯ ПЕРЕДАЧА МОТОР НИЖНЯЯ ГИДРОЛИНИЯ И ЛИНИЯ ХОДА
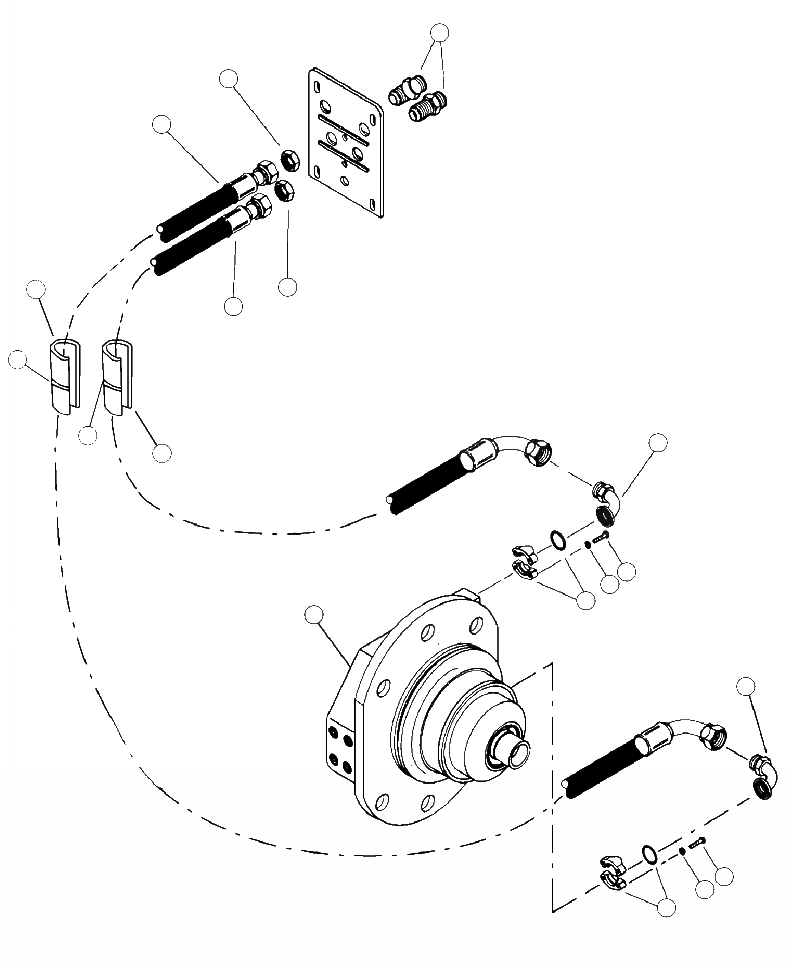
1
2
3
2
9
3
10
10
5
9
6
7
8
4
5
6
7
8
FIT
1:1
100%

Артикул

Название

Примечание

Количество

1

15351KF

CONNECTOR, STRAIGHT BULKHEAD (2041-16- 16S)

2шт.

2

NSS

NUT

2шт.

3

28795

HOSE ASSEMBLY (6060-16-16JS-16C29-W)

2шт.

4

MOTOR, RIGHT FINAL DRIVE ( SEE FIG. P0700-01A0 )

-1шт.

5

15103KF

ADAPTER, 90 DEGREE FLANGE (FF5540-1616S)

2шт.

6

15551KF

BOLT (12 MM-1.75P x 40 MM)

8шт.

7

18735KF

WASHER, FLAT (12 MM)

8шт.

8

15113KF

FLANGE KIT, SPLIT (1 IN)

2шт.

9

17738KF

GUARD, HOSE

2шт.

10

08034-20823

BAND

6шт.

Выбрано товаров: 10