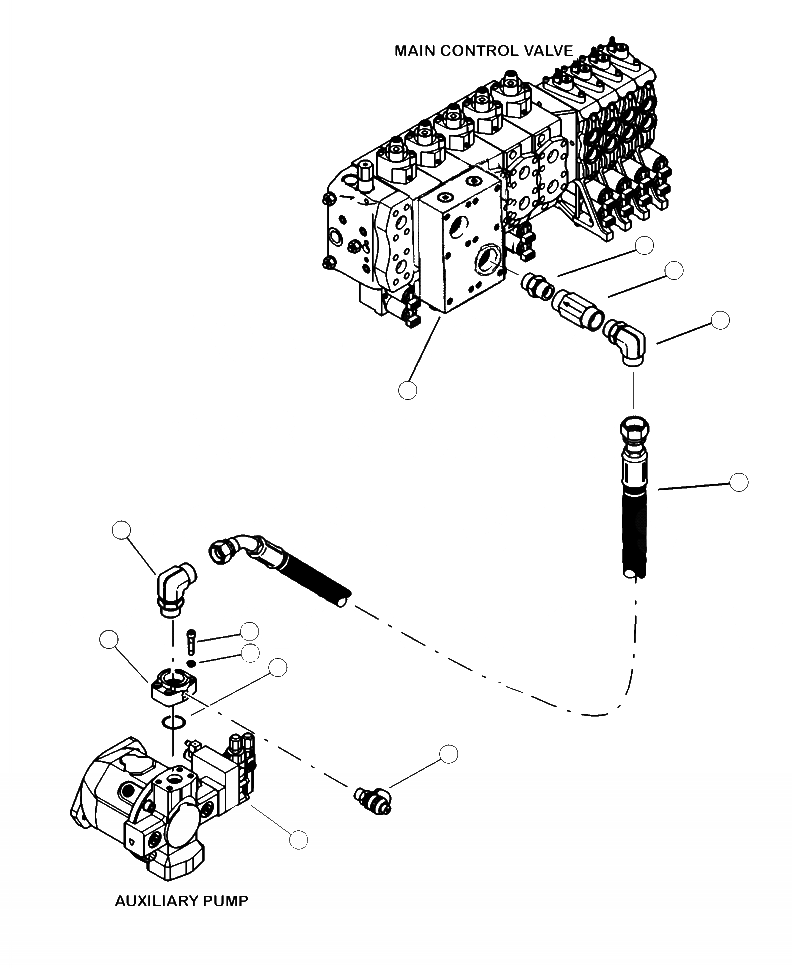
Запчасти Komatsu XT445L-2 H-A ВСПОМОГ. НАСОС PRESSURE ЛИНИЯ COMBINED ПОТОК ГИДРАВЛИКА

Схема запчастей Komatsu XT445L-2 - H-A ВСПОМОГ. НАСОС PRESSURE ЛИНИЯ COMBINED ПОТОК ГИДРАВЛИКА
2
3
4
1
5
6
11
9
10
8
7
12
FIT
1:1
100%

Артикул

Название

Примечание

Количество

1

26967KF

MANIFOLD, COMBINED FLOW

1шт.

2

19472KF

CONNECTOR, STRAIGHT

1шт.

3

20923KF

VALVE, CHECK

1шт.

4

17688KF

ELBOW, 90 DEGREE

1шт.

5

22013KF

HOSE ASSEMBLY

1шт.

6

19128KF

ELBOW, 90 DEGREE

1шт.

7

16037KF

TAP, GAUGE PORT

1шт.

|$7

22758KF

CONNECTOR ASSEMBLY, FLANGE PAD

1шт.

8

15377

O-RING

1шт.

9

NSS

FLANGE

1шт.

10

NSS

WASHER

4шт.

11

NSS

BOLT

4шт.

12

ELECTRIC DISC CONTROL COMPENSATOR ( SEE FIG. H5050-01A0 )

-1шт.

N/I

23213KF

HARNESS, ELECTRIC DISC CONTROL COMPENSATOR

1шт.

Выбрано товаров: 14