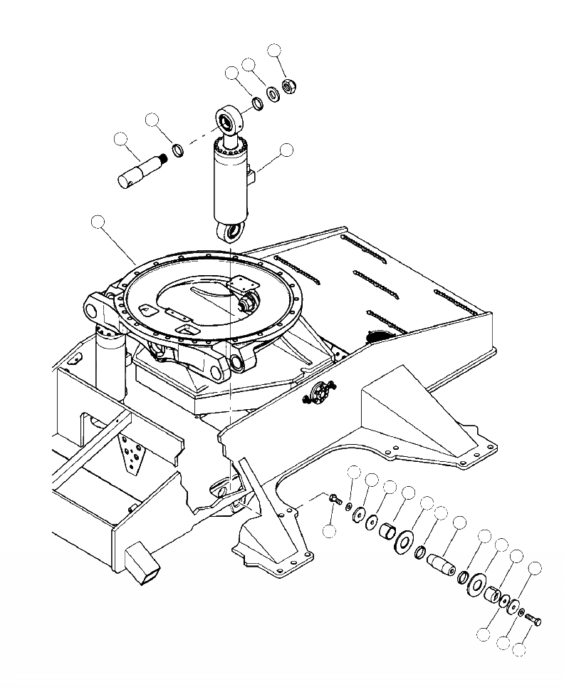
Запчасти Komatsu XT445L-2 R-A УРОВЕНЬING ЦИЛИНДР КРЕПЛЕНИЕ НИЖН.CARRIAGE

Схема запчастей Komatsu XT445L-2 - R-A УРОВЕНЬING ЦИЛИНДР КРЕПЛЕНИЕ НИЖН.CARRIAGE
5
4
3
3
2
6
1
14
7
13
8
11
12
9
10
12
11
8
7
13
14
10
FIT
1:1
100%

Артикул

Название

Примечание

Количество

1

BASE, 4-WAY LEVELING ( SEE FIG. R4100- 01A0 )

-1шт.

2

85672KF

PIN, UPPER LEVELING CYLINDER

2шт.

3

85673KF

SPACER

4шт.

4

12021KF

WASHER

2шт.

5

10728KF

NUT, ZINC PLATED NYLOCK

2шт.

6

CYLINDER, CAB LEVELING ( SEE FIG. R4130- 01A0 )

-1шт.

7

24447KF

WASHER, BURNED

4шт.

8

24446KF

HUB, TAPERED PIN

4шт.

9

24445KF

PIN, DOUBLE TAPERED

2шт.

10

10733KF

BOLT

4шт.

|$10

28439KF

SHIM KIT, LOWER LEVEL CYLINDER

1шт.

11

16636KF

SHIM (0.179 IN THICK)

-2шт.

|$12

16637KF

SHIM (0.135 IN THICK)

-2шт.

|$13

16638KF

SHIM (0.075 IN THICK)

-2шт.

12

28402KF

SPACER

4шт.

13

81184KF

SHIM (0.06 IN THICK)

4шт.

14

15579KF

WASHER, SAE FLAT

4шт.

N/I

85888KF

SHIM

SN: A3014--UP

2шт.

N/I

85889

SHIM

SN: A3014--UP

2шт.

Выбрано товаров: 19