Качественные детали и логистика
Оригинальные и аналоговые запчасти с доставкой по России, Казахстану и Беларуси
©2022 PartSell ООО "Система" ИНН 2463123282 ОГРН 1212400004838
Центральный офис: г. Красноярск, Академика Киренского, д.87, пом.4
Телефон: 8 (800) 777-65-74 Email: zakaz@partsell.ru
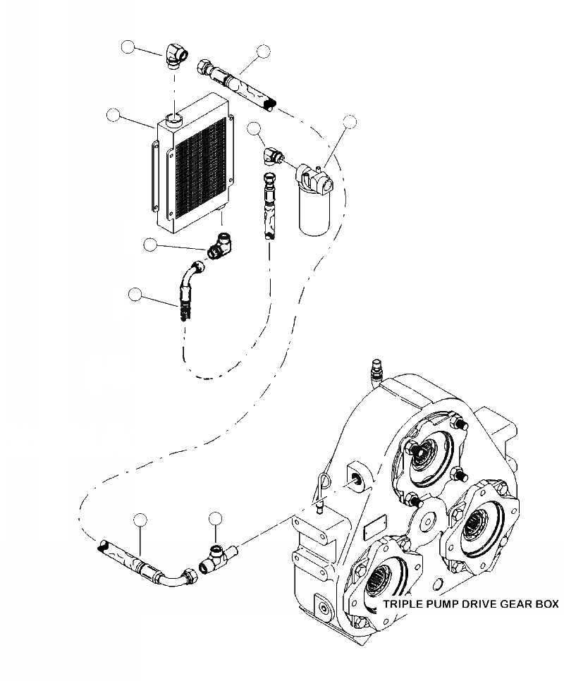
H-A ТРОЙН. НАСОС ПРИВОД КОРПУС ГИДРАВЛ ОХЛАДИТЕЛЬ заводской номер A-
№
Артикул
Название
Примечание
Количество
1
FILTER ( SEE FIG. H0321-01A0 )
-1шт.
2
82010KF
TEE
1шт.
3
81998KF
HOSE ASSEMBLY
4
19128KF
ELBOW, 90 DEGREE
5
COOLER, HYDRAULIC ( SEE FIG. H0321-01A0 )
6
16360KF
2шт.
7
4A1-62-20330
Выбрано товаров: 0