Запчасти Komatsu XT430-2 H-A ПОДКАЧИВАЮЩ. НАСОС PRESSURE ЛИНИИ заводской номер A- ГИДРАВЛИКА

Схема запчастей Komatsu XT430-2 - H-A ПОДКАЧИВАЮЩ. НАСОС PRESSURE ЛИНИИ заводской номер A- ГИДРАВЛИКА
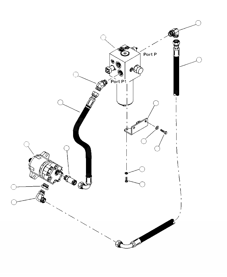
1
13
2
11
8
3
7
12
9
6
4
5
10
1
FIT
1:1
100%

Артикул

Название

Примечание

Количество

1

17688KF

ELBOW, 90 DEGREE

2шт.

2

4A1-62-20170

HOSE ASSEMBLY

1шт.

3

80724KF

BRACKET, TRACK DRIVE CHARGE FILTER

1шт.

4

15528KF

WASHER, SAE FLAT

2шт.

5

11707KF

BOLT

2шт.

6

11707KF

BOLT

2шт.

7

15528KF

WASHER, FLAT

2шт.

8

4A1-62-20280

HOSE ASSEMBLY

1шт.

9

19092KF

CONNECTOR, STR LONG

1шт.

10

17651KF

BUSHING, REDUCER

1шт.

11

19127KF

ELBOW

1шт.

12

PUMP, CHARGE ( SEE FIG. H0242-01A0 )

-1шт.

13

FILTER, TRACK DRIVE CHARGE/MANIFOLD, RELIEF VALVE ( SEE FIG. H0315-01A0 )

-1шт.

Выбрано товаров: 0