Запчасти Komatsu XT430-2 H-A ГИДРОЛИНИЯ TURBO BOOST ЛИНИЯ БЕЗ VACUUM НАСОС ГИДРАВЛИКА

Схема запчастей Komatsu XT430-2 - H-A ГИДРОЛИНИЯ TURBO BOOST ЛИНИЯ БЕЗ VACUUM НАСОС ГИДРАВЛИКА
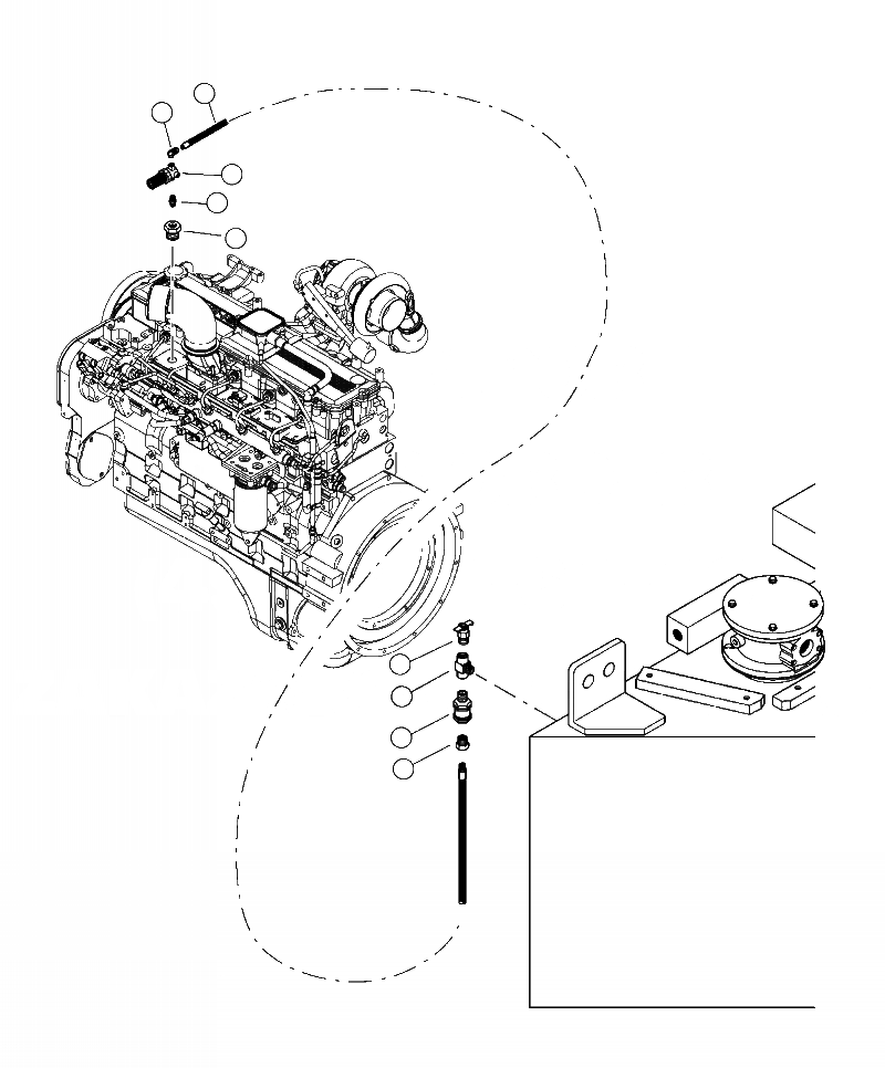
5
4
3
2
1
9
8
7
6
1
FIT
1:1
100%

Артикул

Название

Примечание

Количество

1

24290KF

BUSHING, REDUCER

1шт.

2

15567KF

CONNECTOR, STRAIGHT

1шт.

3

15649KF

REGULATOR, TURBO BOOST

1шт.

4

10320KF

ELBOW, 90 DEGREE SWIVEL

2шт.

5

26895

HOSE ASSEMBLY

1шт.

6

11318KF

BUSHING, REDUCER

1шт.

7

15652KF

VALVE, CHECK

1шт.

8

15651KF

TEE

1шт.

9

15650KF

VALVE, SHUT OFF

1шт.

Выбрано товаров: 0