Запчасти Komatsu XT430-2 H-A ГИДРОЛИНИЯ TURBO BOOST ЛИНИЯ С VACUUM НАСОС ГИДРАВЛИКА

Схема запчастей Komatsu XT430-2 - H-A ГИДРОЛИНИЯ TURBO BOOST ЛИНИЯ С VACUUM НАСОС ГИДРАВЛИКА
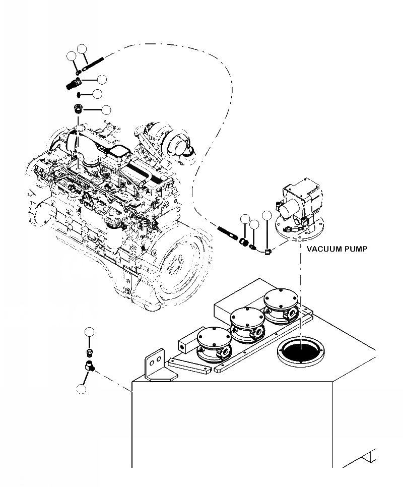
5
4
3
2
1
1
8
6
7
9
10
FIT
1:1
100%

Артикул

Название

Примечание

Количество

1

24290KF

BUSHING, REDUCER

1шт.

2

15567KF

CONNECTOR, STRAIGHT

1шт.

3

15649KF

REGULATOR, TURBO BOOST

1шт.

4

10320KF

ELBOW, 90 DEGREE SWIVEL

2шт.

5

27446KF

HOSE ASSEMBLY

1шт.

6

28594

VALVE, CHECK

1шт.

7

28591

FITTING, BRASS

1шт.

8

28590KF

FITTING, BRASS

1шт.

9

15650KF

VALVE, SHUT OFF

1шт.

10

24287KF

ELBOW, 90 DEGREE STREET

1шт.

Выбрано товаров: 0