Качественные детали и логистика
Оригинальные и аналоговые запчасти с доставкой по России, Казахстану и Беларуси
©2022 PartSell ООО "Система" ИНН 2463123282 ОГРН 1212400004838
Центральный офис: г. Красноярск, Академика Киренского, д.87, пом.4
Телефон: 8 (800) 777-65-74 Email: zakaz@partsell.ru
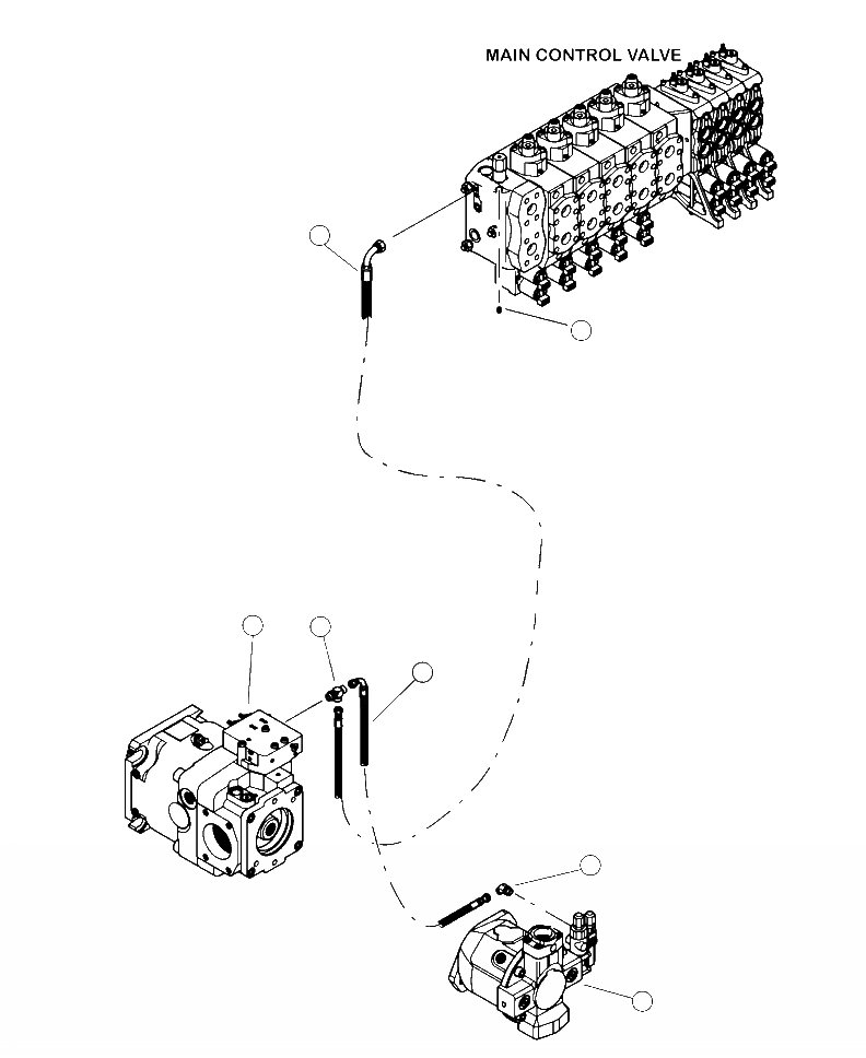
H-A 7CC ВСПОМОГ. НАСОС ПОГРУЗ. SENSE ЛИНИЯ - COMBINED ПОТОК PROCESSORS заводской номер A-
№
Артикул
Название
Примечание
Количество
1
PUMP, IMPLEMENT (SEE FIG. H0301-01A0)
-1шт.
2
4A1-62-20220
HOSE ASSEMBLY
1шт.
3
21693KF
TEE
4
PUMP, 71CC AUXILIARY (SEE FIG. H4000-01A0)
5
23322KF
ELBOW, 45 DEGREE
6
22049
7
23993KF
SCREW, SET
Выбрано товаров: 0