Запчасти Komatsu XT430-2 H-A ВСПОМОГ. НАСОС COMPENSATOR И GAUGE ЛИНИИ ГИДРАВЛИКА

Схема запчастей Komatsu XT430-2 - H-A ВСПОМОГ. НАСОС COMPENSATOR И GAUGE ЛИНИИ ГИДРАВЛИКА
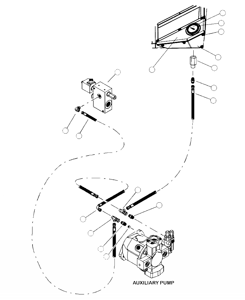
1
8
6
7
2
5
16
3
4
15
14
10
9
11
10
12
13
FIT
1:1
100%

Артикул

Название

Примечание

Количество

1

4A1-62-10450

GAUGE, PANEL MOUNTED PRESSURE

1шт.

2

83549KF

GAUGE, SNUBBER

1шт.

3

4A1-62-10120

CONNECTOR, STRAIGHT

1шт.

N/I

15438KF

O-RING

1шт.

4

4A1-62-10010

HOSE ASSEMBLY, DISC SAW GAUGE

1шт.

N/I

15604KF

BOLT

1шт.

N/I

10756KF

WASHER, LOCK

1шт.

5

4A1-54-10460

COVER, GAUGE TOP PANEL

1шт.

6

16213KF

SCREW

4шт.

7

4A1-54-10470

COVER, GAUGE SIDE PANEL

1шт.

8

4A1-54-10480

SCREW

3шт.

9

16541KF

CONNECTOR, STR

1шт.

10

15176KF

TEE

2шт.

11

16613KF

HOSE ASSEMBLY

1шт.

12

22757KF

CONNECTOR, STRAIGHT (WITH 0.040 ORIFICE)

1шт.

13

17253

PLUG

1шт.

14

28532KF

HOSE ASSEMBLY

1шт.

15

16540KF

ELBOW, 90 DEGREE

1шт.

16

VALVE, STOP SAW ( SEE FIG. H5100-01A0 )

-1шт.

Выбрано товаров: 0