Запчасти Komatsu XT430-2 H-A ЭЛЕКТРОНН. COMP/DISC УПРАВЛ-Е COMPENSATOR ГИДРАВЛИКА

Схема запчастей Komatsu XT430-2 - H-A ЭЛЕКТРОНН. COMP/DISC УПРАВЛ-Е COMPENSATOR ГИДРАВЛИКА
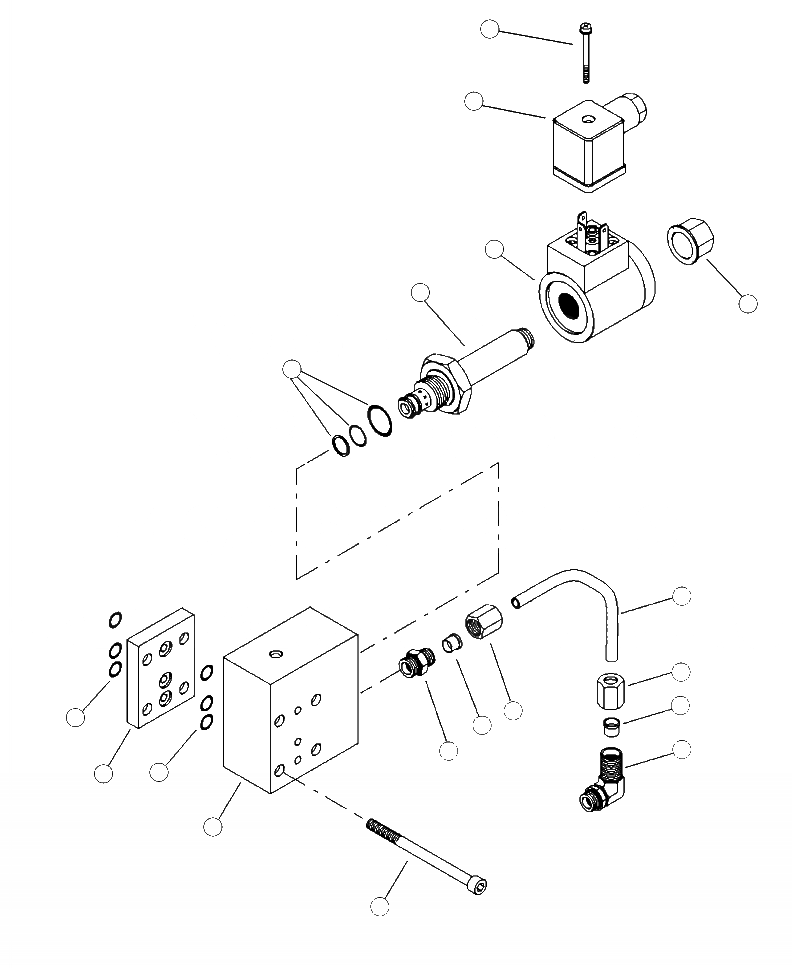
8
9
7
4
5
6
14
13
12
13
3
12
15
10
3
2
1
11
FIT
1:1
100%

Артикул

Название

Примечание

Количество

|$0

81767KF

CONTROL ASSEMBLY, COMP/DISC ELECTRONIC

1шт.

1

27193

BLOCK

1шт.

2

27192

PLATE, BLOCK

1шт.

3

27200

O-RING

6шт.

4

81768KF

CARTRIDGE, SOLENOID

1шт.

5

NSS

BOLT

1шт.

6

27410

REPAIR KIT, SEAL

1шт.

7

28311

COIL

1шт.

8

17145

CONNECTOR, ELECTRICAL

1шт.

9

NSS

BOLT

1шт.

10

27198

CONNECTOR, TUBE

1шт.

11

22603

BOLT

4шт.

12

27196

FERRULE, TUBE

2шт.

13

27195

NUT, TUBE

2шт.

14

27197

TUBE, HYDRAULIC

1шт.

15

27194

ELBOW, 90 DEGREE TUBE

1шт.

N/I

23213KF

HARNESS, ELECTRIC COMPENSATOR CONTROL

1шт.

Выбрано товаров: 17