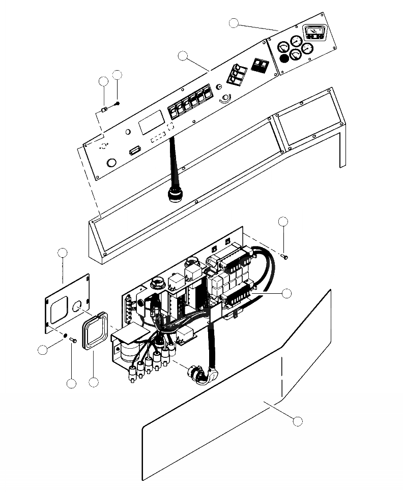
Запчасти Komatsu XT430-2 E-A DASH ПАНЕЛЬ КРЕПЛЕНИЕ ЭЛЕКТРИКА

Схема запчастей Komatsu XT430-2 - E-A DASH ПАНЕЛЬ КРЕПЛЕНИЕ ЭЛЕКТРИКА
11
1
10
9
2
8
3
5
7
4
6
FIT
1:1
100%

Артикул

Название

Примечание

Количество

|$0

4A1-06-10870

PANEL ASSEMBLY, SWITCH DASH

1шт.

1

4A1-06-10041

PANEL ASSEMBLY, DASH

1шт.

N/I

4A1-06-10180

SWITCH

1шт.

N/I

4A1-06-10170

LENS

1шт.

N/I

4A1-06-10050

HARNESS, SWITCH DASH PANEL WIRING

1шт.

N/I

08034-00310

BAND

6шт.

2

15575KF

BOLT

4шт.

3

ELECTRICAL CENTER, MAIN ( SEE FIG. E1000- 01A0 )

-1шт.

4

15604KF

BOLT

4шт.

5

10757KF

WASHER, SAE FLAT

4шт.

6

27492KF

CURTAIN, DASH WIRING COVER VINYL

1шт.

7

21924013KF

CHANNEL, EDGE PROTECTOR

1шт.

8

21531KF

PANEL, BULKHEAD ELECTRICAL

1шт.

9

16212KF

NUT

12шт.

10

16213KF

SCREW

12шт.

11

26541KF

PANEL, GAUGE DASH

1шт.

Выбрано товаров: 16