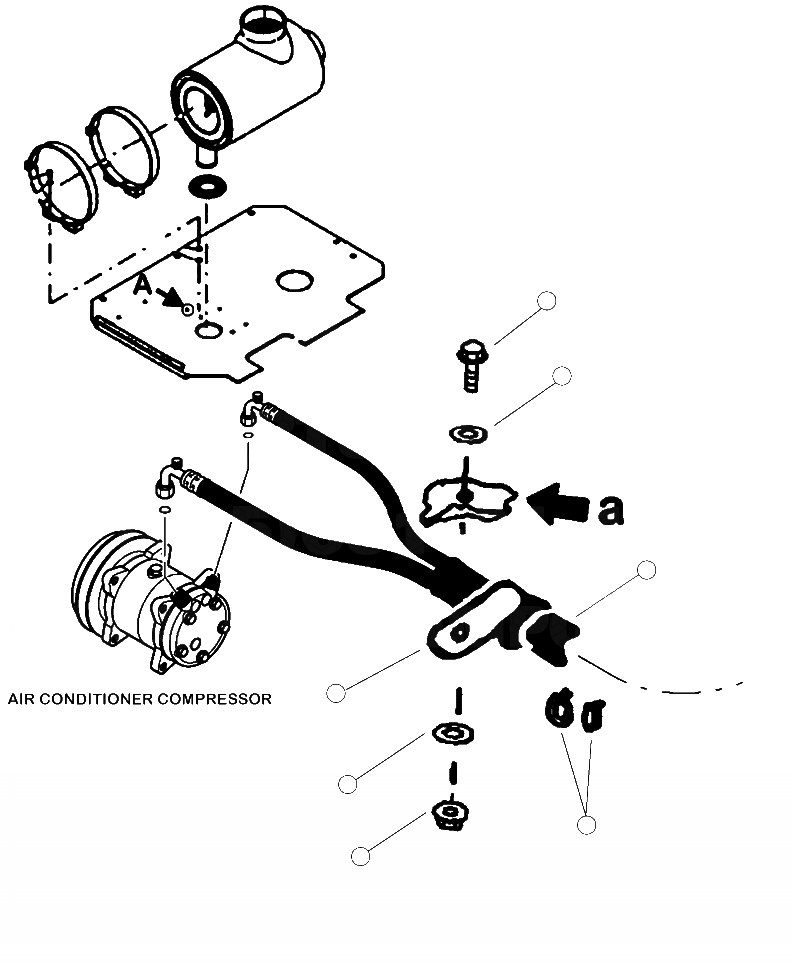
Запчасти Komatsu XT450L-2 K7-A КОНДИЦ. ВОЗДУХА КОМПРЕССОР ШЛАНГИ КРЕПЛЕНИЕ OPERATORS ОБСТАНОВКА И СИСТЕМА УПРАВЛЕНИЯ

Схема запчастей Komatsu XT450L-2 - K7-A КОНДИЦ. ВОЗДУХА КОМПРЕССОР ШЛАНГИ КРЕПЛЕНИЕ OPERATORS ОБСТАНОВКА И СИСТЕМА УПРАВЛЕНИЯ
1
2
6
3
2
5
4
FIT
1:1
100%

Артикул

Название

Примечание

Количество

1

11707KF

BOLT

1шт.

2

15528KF

WASHER, SAE FLAT

2шт.

3

26010KF

CLIP, HOSE

1шт.

4

10813KF

NUT, LOCK

1шт.

5

08034-20536

BAND

2шт.

6

HOSE ( SEE FIG. K0710-02A0 )

-1шт.

Выбрано товаров: 6