Запчасти Komatsu XT450L-2 T-A ОСНОВН. ЦИЛИНДР СТРЕЛЫКРЕПЛЕНИЕ РАБОЧЕЕ ОБОРУДОВАНИЕ

Схема запчастей Komatsu XT450L-2 - T-A ОСНОВН. ЦИЛИНДР СТРЕЛЫКРЕПЛЕНИЕ РАБОЧЕЕ ОБОРУДОВАНИЕ
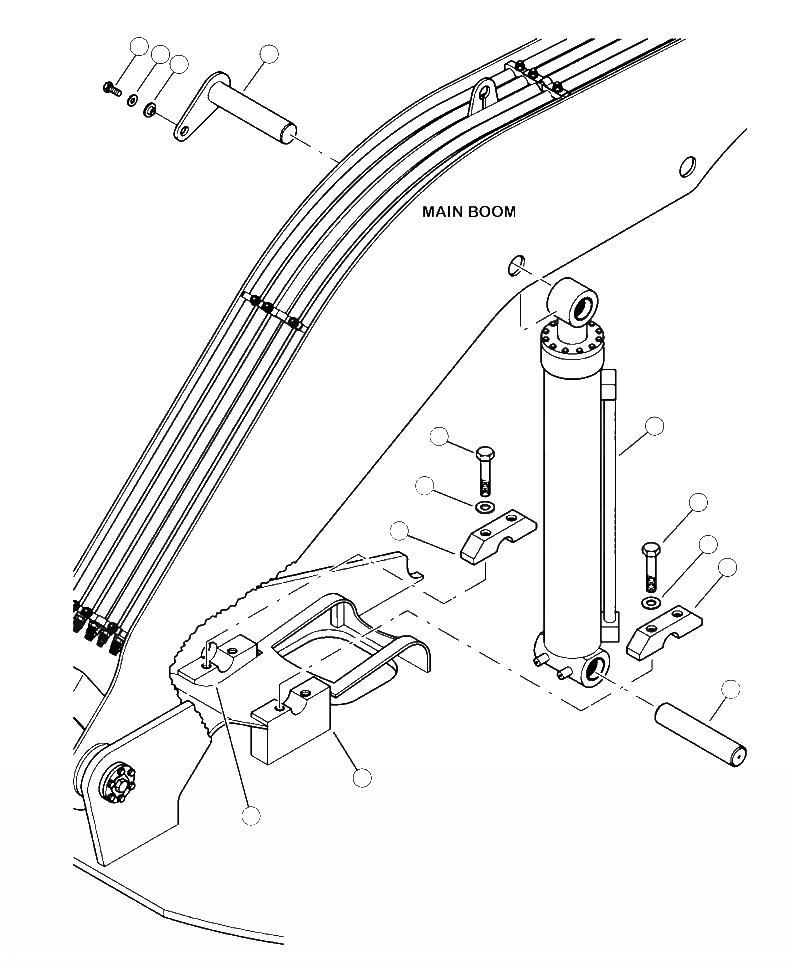
1
4
2
3
5
12
13
8
10
9
6
14
7
11
FIT
1:1
100%

Артикул

Название

Примечание

Количество

1

15549KF

BOLT

1шт.

2

15550KF

WASHER, SAE FLAT

1шт.

3

18570KF

BUSHING, PIN RETAINING

1шт.

4

81613KF

PIN

1шт.

5

CYLINDER, MAIN BOOM ( SEE FIG. T0050- 01A0 )

-1шт.

|$5

4A1-46-10550

BLOCK, RIGHT PIN RETAINER

1шт.

6

NSS

BLOCK, TOP RIGHT

1шт.

7

NSS

BLOCK, BOTTOM RIGHT

1шт.

8

15543KF

BOLT

2шт.

9

15544KF

WASHER

2шт.

N/I

NSS

PLATE, BACKUP

1шт.

|$11

4A1-46-10570

BLOCK, LEFT PIN RETAINER

1шт.

10

NSS

BLOCK, LEFT TOP

1шт.

11

NSS

BLOCK, LEFT BOTTOM

1шт.

12

15543KF

BOLT

2шт.

13

15544KF

WASHER

2шт.

N/I

NSS

PLATE, BACKUP

1шт.

14

81600KF

PIN

1шт.

Выбрано товаров: 18