Запчасти Komatsu JP60SS-1 МАСЛОПРОВОДЯЩАЯ ЛИНИЯ VIBRO ПЛАСТИНА

Схема запчастей Komatsu JP60SS-1 - МАСЛОПРОВОДЯЩАЯ ЛИНИЯ VIBRO ПЛАСТИНА
FIT
1:1
100%

Артикул

Название

Примечание

Количество

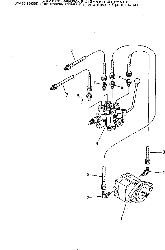
|1

26990-16-000

VIBRO PLATE ASS'Y

SN: 50001-UP

1шт.

1

26990-17-200

MOTOR ASS'Y,OIL

SN: 50001-UP

1шт.

2

258-07-02223

ELBOW

SN: 50001-UP

2шт.

3

267-97-50337

HOSE

SN: 50001-UP

2шт.

4

26990-17-300

CONTROL VALVE A.

SN: 50001-UP

1шт.

5

267-11-31003

NIPPLE

SN: 50001-UP

2шт.

6

267-11-31003

NIPPLE

SN: 50001-UP

2шт.

7

26990-17-820

HOSE

SN: 50001-UP

2шт.

Выбрано товаров: 8